Торговая марка
основана в 1994 году

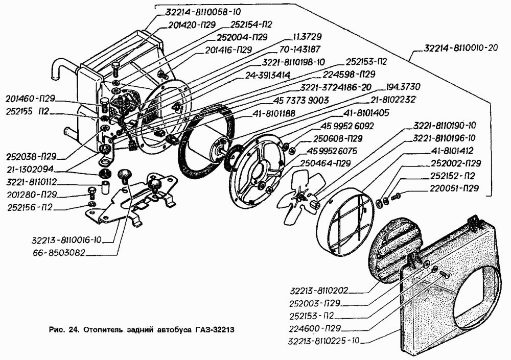
Отопитель задний автобуса ГАЗ-32213

Отопитель задний автобуса ГАЗ-32213
Метка Каталожный номер Наименование детали Наличие
21-1302094 21-1302094 Прокладка крепления кронштейна
Фото Артикул Наименование Модель Ед. Наличие Цена в магазине сегодня Цена интернет магазина
втулка крепления резонатора в сборе Волга Газ-2410,31029,3110 21-1302094 "РТИ" г.Ярославль 00000013413 втулка крепления резонатора в сборе Волга Газ-2410,31029,3110 21-1302094 "РТИ" г.Ярославль Волга шт 32₽ 29₽
В корзину
66-8503082 66-8503082 Буфер
Фото Артикул Наименование Модель Ед. Наличие Цена в магазине сегодня Цена интернет магазина
буфер заднего борта "СЗРТ" Газель Газ-3302,33023 66-8503082 00000022893 буфер заднего борта "СЗРТ" Газель Газ-3302,33023 66-8503082 ГАЗЕЛЬ шт 64₽ 46₽
В корзину