Торговая марка
основана в 1994 году

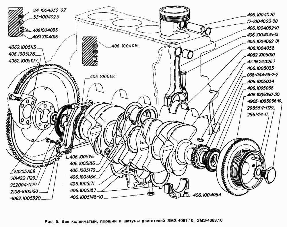
Вал коленчатый, поршни и шатуны двигателей ЗМЗ-4061.10, ЗМЗ-4063.10

Вал коленчатый, поршни и шатуны двигателей ЗМЗ-4061.10, ЗМЗ-4063.10
Метка Каталожный номер Наименование детали Наличие
2108-1005160 2108-1005160 Манжета с пружиной 2.2-80х100-4
Фото Артикул Наименование Модель Ед. Наличие Цена в магазине сегодня Цена интернет магазина
Сальник коленвала ВАЗ 2108 задний "БРТ". Cальник к/вала задн 00000018787 Сальник коленвала ВАЗ 2108 задний "БРТ". Cальник к/вала задн 08 шт 475₽ 262₽
В корзину
293554-П29 293554-П29 Шайба 28
Фото Артикул Наименование Модель Ед. Наличие Цена в магазине сегодня Цена интернет магазина
Шайба 28 (храповика) Г402,406,511БелЗАН-САК 00000054716 Шайба 28 (храповика) Г402,406,511БелЗАН-САК ГАЗ шт 15₽ 15₽
Нет в наличии
296144-П 296144-П Шпонка 8х6х34
Фото Артикул Наименование Модель Ед. Наличие Цена в магазине сегодня Цена интернет магазина
Шпонка 8x34 призматическая шкива коленчатого вала 00000020794 Шпонка 8x34 призматическая шкива коленчатого вала Г-24 шт 109₽ 101₽
В корзину
406.1004015 406.1004015 Поршень (для двигателя ЗМЗ-4063.10)
Фото Артикул Наименование Модель Ед. Наличие Цена в магазине сегодня Цена интернет магазина
поршень /ЗМЗ/ 00000059418 поршень /ЗМЗ/ Г-406 251₽ 235₽
В корзину
406.1005033 406.1005033 Звездочка коленчатого вала
Фото Артикул Наименование Модель Ед. Наличие Цена в магазине сегодня Цена интернет магазина
звездочка к/вала Е-2 РУСМАШ 00000040562 звездочка к/вала Е-2 РУСМАШ Г-406 434₽ 406₽
В корзину
406.1005034 406.1005034 Манжета с пружиной 2,2-55х70-4
Фото Артикул Наименование Модель Ед. Наличие Цена в магазине сегодня Цена интернет магазина
Сальник коленвала передний ЗМЗ-406, 405, 409 "Corteco" Италия 00000018776 Сальник коленвала передний ЗМЗ-406, 405, 409 "Corteco" Италия Г-406 шт 130₽ 120₽
В корзину
Сальник коленвала передний ЗМЗ-406, 405, 409 "Elring" Германия 00000018781 Сальник коленвала передний ЗМЗ-406, 405, 409 "Elring" Германия Г-406 шт 121₽ 121₽
В корзину
Сальник коленвала передний ЗМЗ-406, 405, 409 "Rubena" Чехия 00000018782 Сальник коленвала передний ЗМЗ-406, 405, 409 "Rubena" Чехия Г-406 шт 564₽ 519₽
В корзину
Сальник коленвала передний ЗМЗ-406, 405, 409 "РТИ" г.Балаково 00000027285 Сальник коленвала передний ЗМЗ-406, 405, 409 "РТИ" г.Балаково Г-406 шт 186₽ 171₽
В корзину
406.1005038 406.1005038 Втулка
Фото Артикул Наименование Модель Ед. Наличие Цена в магазине сегодня Цена интернет магазина
втулка сальника коленчатого вала "ЗМЗ" Волга,Газель,УАЗ ЗМЗ-406,405,409 406.1005038 00000013456 втулка сальника коленчатого вала "ЗМЗ" Волга,Газель,УАЗ ЗМЗ-406,405,409 406.1005038 Г-406 шт 306₽ 282₽
В корзину
406.1005050-30 406.1005050-30 Шкив коленчатого вала с демпфером
Фото Артикул Наименование Модель Ед. Наличие Цена в магазине сегодня Цена интернет магазина
Шкив коленчатого вала с демпфером "ЗМЗ" Г-406,405 Газель,ВОЛГА 00000020623 Шкив коленчатого вала с демпфером "ЗМЗ" Г-406,405 Газель,ВОЛГА Г-406 шт 4750₽ 4370₽
В корзину
406.1005155 406.1005155 Прокладка сальникодержателя
Фото Артикул Наименование Модель Ед. Наличие Цена в магазине сегодня Цена интернет магазина
прокладка сальникодержателя "ВАТИ" Волга,Газель,УАЗ  ЗМЗ-406,405,409 00000017459 прокладка сальникодержателя "ВАТИ" Волга,Газель,УАЗ ЗМЗ-406,405,409 Г-406 шт 11₽ 10₽
В корзину
4062.1005115 4062.1005115 Маховик с ободом
Фото Артикул Наименование Модель Ед. Наличие Цена в магазине сегодня Цена интернет магазина
маховик с ободом "ЗМЗ" Волга,Газель,УАЗ ЗМЗ-406,405,409 4062.1005115 00000023321 маховик с ободом "ЗМЗ" Волга,Газель,УАЗ ЗМЗ-406,405,409 4062.1005115 Г406 шт 8750₽ 8050₽
В корзину
45 9824 0267 45 9824 0267 Шпонка 6х10
Фото Артикул Наименование Модель Ед. Наличие Цена в магазине сегодня Цена интернет магазина
шпонка шестерни коленвала (6x10) 00000020793 шпонка шестерни коленвала (6x10) Г-24 шт 23₽ 21₽
В корзину
4905-1005056-10 4905-1005056-10 Болт стяжной коленчатого вала
Фото Артикул Наименование Модель Ед. Наличие Цена в магазине сегодня Цена интернет магазина
болт стяжной шкива коленчатого вала  Волга,Газель,УАЗ ЗМЗ-4062,4063,409 4092-1005056 00000051654 болт стяжной шкива коленчатого вала Волга,Газель,УАЗ ЗМЗ-4062,4063,409 4092-1005056 Г-406 шт 209₽ 192₽
В корзину