Торговая марка
основана в 1994 году

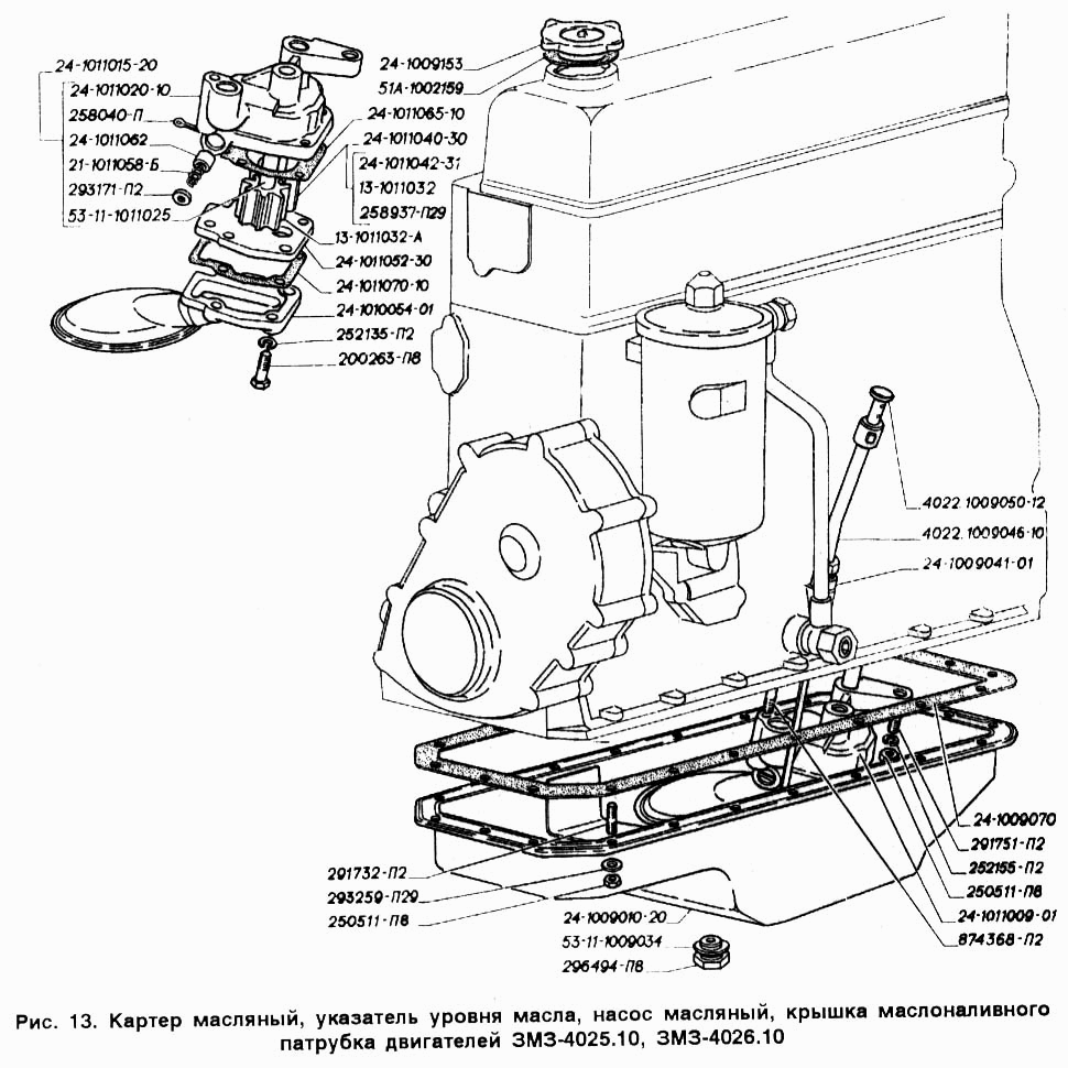
Картер масляный, указатель уровня масла, насос масляный, крышка маслоналивного патрубка двигателей ЗМЗ-4025.10, ЗМЗ-4026.10

Картер масляный, указатель уровня масла, насос масляный, крышка маслоналивного патрубка двигателей ЗМЗ-4025.10, ЗМЗ-4026.10
Метка Каталожный номер Наименование детали Наличие
24-1009070 24-1009070 Прокладка масляного картера
Фото Артикул Наименование Модель Ед. Наличие Цена в магазине сегодня Цена интернет магазина
прокладка масляного картера резинопробковая "БРТ" Волга,Газель,УАЗ ЗМЗ-402 00000017455 прокладка масляного картера резинопробковая "БРТ" Волга,Газель,УАЗ ЗМЗ-402 Г-24 шт 92₽ 84₽
В корзину
прокладка масляного картера пробковая "Саморим" г.Кинель Волга,Газель,УАЗ ЗМЗ-402 00000017469 прокладка масляного картера пробковая "Саморим" г.Кинель Волга,Газель,УАЗ ЗМЗ-402 Г24 шт 108₽ 101₽
В корзину
24-1011070-10 24-1011070-10 Прокладка приемного патрубка
Фото Артикул Наименование Модель Ед. Наличие Цена в магазине сегодня Цена интернет магазина
прокладка м/насоса 00000059505 прокладка м/насоса Г24 3₽ 3₽
В корзину
291732-П2 291732-П2 Шпилька М8х1-4hх14
Фото Артикул Наименование Модель Ед. Наличие Цена в магазине сегодня Цена интернет магазина
шпилька поддона М8х1-4hх14 00000020772 шпилька поддона М8х1-4hх14 шт 8₽ 7₽
В корзину
296494-П8 296494-П8 Пробка М18х1,5х12
Фото Артикул Наименование Модель Ед. Наличие Цена в магазине сегодня Цена интернет магазина
пробка М18х1,5х12 масляного картера "ЗМЗ" Волга,Газель ЗМЗ-402 00000023584 пробка М18х1,5х12 масляного картера "ЗМЗ" Волга,Газель ЗМЗ-402 Волга шт 53₽ 50₽
В корзину
пробка поддона магнитная Волга 00000059447 пробка поддона магнитная Волга Волга шт 216₽ 202₽
Нет в наличии
51А-1002159 51А-1002159 Прокладка крышки
Фото Артикул Наименование Модель Ед. Наличие Цена в магазине сегодня Цена интернет магазина
прокладка крышки маслозаливной горловины "РТИ" Волга,Газель,УАЗ,Газ-53,3307 00000023605 прокладка крышки маслозаливной горловины "РТИ" Волга,Газель,УАЗ,Газ-53,3307 Г-402 шт 6₽ 6₽
В корзину