Торговая марка
основана в 1994 году

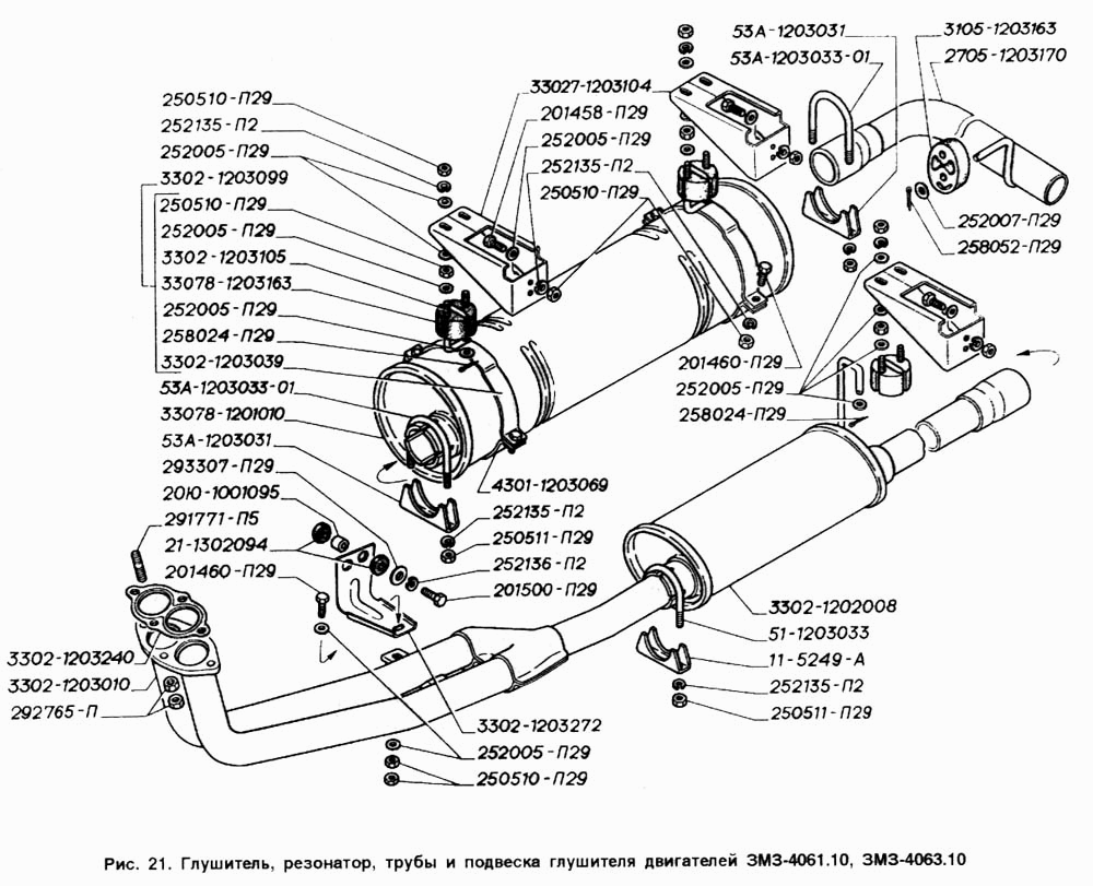
Глушитель, резонатор, трубы и подвеска глушителя двигателей ЗМЗ-4061.10, ЗМЗ-4063.10

Глушитель, резонатор, трубы и подвеска глушителя двигателей ЗМЗ-4061.10, ЗМЗ-4063.10
Метка Каталожный номер Наименование детали Наличие
21-1302094 21-1302094 Прокладка крепления кронштейна
Фото Артикул Наименование Модель Ед. Наличие Цена в магазине сегодня Цена интернет магазина
втулка крепления резонатора в сборе Волга Газ-2410,31029,3110 21-1302094 "РТИ" г.Ярославль 00000013413 втулка крепления резонатора в сборе Волга Газ-2410,31029,3110 21-1302094 "РТИ" г.Ярославль Волга шт 32₽ 29₽
В корзину
250511-П29 250511-П29 Гайка М8х1-6Н ОСТ 37.001.124-93
Фото Артикул Наименование Модель Ед. Наличие Цена в магазине сегодня Цена интернет магазина
Гайка М8*1,0 БелЗАН-САК. 00000013565 Гайка М8*1,0 БелЗАН-САК. шт 2.07₽ 2₽
В корзину
250511-П29 250511-П29 Гайка М8х1-6Н ОСТ 37.001.124-93
Фото Артикул Наименование Модель Ед. Наличие Цена в магазине сегодня Цена интернет магазина
Гайка М8*1,0 БелЗАН-САК. 00000013565 Гайка М8*1,0 БелЗАН-САК. шт 2.07₽ 2₽
В корзину
3105-1203163 3105-1203163 Амортизатор подвески глушителя и выхлопной трубы
Фото Артикул Наименование Модель Ед. Наличие Цена в магазине сегодня Цена интернет магазина
амортизатор подвески глушителя и выхлопной трубы полиуретановая г.Липецк Газель,Соболь 00000016817 амортизатор подвески глушителя и выхлопной трубы полиуретановая г.Липецк Газель,Соболь СОБОЛЬ шт 71₽ 66₽
В корзину
амортизатор подвески глушителя и выхлопной трубы "БРТ" Газель,Соболь 00000016819 амортизатор подвески глушителя и выхлопной трубы "БРТ" Газель,Соболь СОБОЛЬ шт 40₽ 29₽
В корзину
3302-1202008 3302-1202008 Резонатор
Фото Артикул Наименование Модель Ед. Наличие Цена в магазине сегодня Цена интернет магазина
резонатор системы выпуска газов г.Н.Новгород Газель Газ-3302 00000018155 резонатор системы выпуска газов г.Н.Новгород Газель Газ-3302 ГАЗЕЛЬ шт 1975₽ 1817₽
В корзину
резонатор системы выпуска газов г.Арзамас Газель Газ-3302 00000028381 резонатор системы выпуска газов г.Арзамас Газель Газ-3302 ГАЗЕЛЬ шт 1391₽ 1291₽
Нет в наличии
3302-1203010 3302-1203010 Трубы приемные
Фото Артикул Наименование Модель Ед. Наличие Цена в магазине сегодня Цена интернет магазина
труба приемная системы выпуска газов  Газель ЗМЗ-406 00000019625 труба приемная системы выпуска газов Газель ЗМЗ-406 ГАЗЕЛЬ шт 2463₽ 2266₽
В корзину
3302-1203039 3302-1203039 Кронштейн глушителя
Фото Артикул Наименование Модель Ед. Наличие Цена в магазине сегодня Цена интернет магазина
комплект кронштейнов глушителя в сборе нового образца Газ Газель 00000015115 комплект кронштейнов глушителя в сборе нового образца Газ Газель ГАЗЕЛЬ компл 500₽ 460₽
В корзину
комплект кронштейнов глушителя в сборе Газ Газель 3302-1203039 00000015150 комплект кронштейнов глушителя в сборе Газ Газель 3302-1203039 ГАЗЕЛЬ компл 413₽ 380₽
В корзину
3302-1203240 3302-1203240 Прокладка приемной трубы
Фото Артикул Наименование Модель Ед. Наличие Цена в магазине сегодня Цена интернет магазина
прокладка приемной трубы "ВАТИ"  Волга,Газель  ЗМЗ-406 00000017592 прокладка приемной трубы "ВАТИ" Волга,Газель ЗМЗ-406 Г-406 шт 205₽ 148₽
В корзину
3302-1203272 3302-1203272 Кронштейн крепления труб к коробке
Фото Артикул Наименование Модель Ед. Наличие Цена в магазине сегодня Цена интернет магазина
кронштейн пр.тр.Г406 00000052482 кронштейн пр.тр.Г406 ГАЗЕЛЬ 367₽ 367₽
Нет в наличии
33078-1203163 33078-1203163 Амортизатор
Фото Артикул Наименование Модель Ед. Наличие Цена в магазине сегодня Цена интернет магазина
втулка креплен.глуш. 00000058877 втулка креплен.глуш. ГАЗЕЛЬ 79₽ 74₽
В корзину