Торговая марка
основана в 1994 году

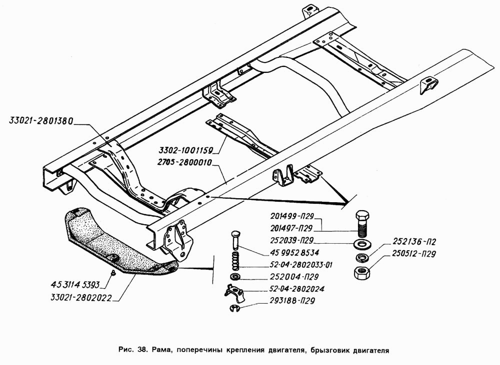
Рама, поперечины крепления двигателя, брызговик двигателя

Рама, поперечины крепления двигателя, брызговик двигателя
Метка Каталожный номер Наименование детали Наличие
252039-П29 252039-П29 Шайба 10 ОСТ 37.001.144-96
Фото Артикул Наименование Модель Ед. Наличие Цена в магазине сегодня Цена интернет магазина
шайба 10х30 БелЗАН-САК 252039-П29 00000059865 шайба 10х30 БелЗАН-САК 252039-П29 шт 2₽ 2₽
Нет в наличии
3302-1001159 3302-1001159 Поперечина задней опоры двигателя
Фото Артикул Наименование Модель Ед. Наличие Цена в магазине сегодня Цена интернет магазина
траверса КПП гол. 00000059752 траверса КПП гол. ГАЗЕЛЬ 1220₽ 1140₽
Нет в наличии
33021-2801380 33021-2801380 Поперечина передней подвески двигателя
Фото Артикул Наименование Модель Ед. Наличие Цена в магазине сегодня Цена интернет магазина
поперечина передней подвески двигателя  Газель ЗМЗ-402,406 00000019465 поперечина передней подвески двигателя Газель ЗМЗ-402,406 ГАЗЕЛЬ шт 2475₽ 2277₽
В корзину