Торговая марка
основана в 1994 году

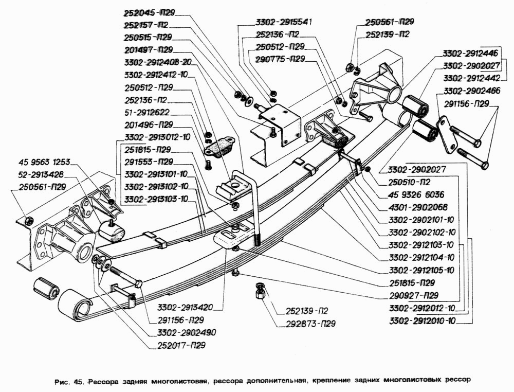
Рессора задняя многолистовая, рессора дополнительная, крепление задних многолистовых рессор

Рессора задняя многолистовая, рессора дополнительная, крепление задних многолистовых рессор
Метка Каталожный номер Наименование детали Наличие
252139-П2 252139-П2 Шайба 16.ОТ ОСТ 37.001.115-75
Фото Артикул Наименование Модель Ед. Наличие Цена в магазине сегодня Цена интернет магазина
шайба пружинная БелЗАН-САК 16Т 00000013745 шайба пружинная БелЗАН-САК 16Т шт 5.3₽ 4₽
В корзину
252139-П2 252139-П2 Шайба 16.ОТ ОСТ 37.001.115-75
Фото Артикул Наименование Модель Ед. Наличие Цена в магазине сегодня Цена интернет магазина
шайба пружинная БелЗАН-САК 16Т 00000013745 шайба пружинная БелЗАН-САК 16Т шт 5.3₽ 4₽
В корзину
290775-П29 290775-П29 Болт М10-6gх40
Фото Артикул Наименование Модель Ед. Наличие Цена в магазине сегодня Цена интернет магазина
Болт М10-6gх40 крепления тормозного диска  г.Белебей Газель Газ-3302,2705,3221 290775-П29 00000013016 Болт М10-6gх40 крепления тормозного диска г.Белебей Газель Газ-3302,2705,3221 290775-П29 ГАЗЕЛЬ шт 24₽ 17₽
В корзину
291156-П29 291156-П29 Болт М16х1,5-6gх115
Фото Артикул Наименование Модель Ед. Наличие Цена в магазине сегодня Цена интернет магазина
болт М16х1,5-6gх115 крепления рессоры г.Белебей Газель Газ-3302,2705,3221 291156-П29 00000013123 болт М16х1,5-6gх115 крепления рессоры г.Белебей Газель Газ-3302,2705,3221 291156-П29 ГАЗЕЛЬ шт 150₽ 108₽
В корзину
291156-П29 291156-П29 Болт М16х1,5-6gх115
Фото Артикул Наименование Модель Ед. Наличие Цена в магазине сегодня Цена интернет магазина
болт М16х1,5-6gх115 крепления рессоры г.Белебей Газель Газ-3302,2705,3221 291156-П29 00000013123 болт М16х1,5-6gх115 крепления рессоры г.Белебей Газель Газ-3302,2705,3221 291156-П29 ГАЗЕЛЬ шт 150₽ 108₽
В корзину
292873-П29 292873-П29 Гайка М16х1,5-4Н6Н
Фото Артикул Наименование Модель Ед. Наличие Цена в магазине сегодня Цена интернет магазина
гайка М16х1,5-4Н6Н крепления стремянки "Красная Этна" г.Н.Новгород Газель,Соболь,Баргузин 292873-П29 00000013580 гайка М16х1,5-4Н6Н крепления стремянки "Красная Этна" г.Н.Новгород Газель,Соболь,Баргузин 292873-П29 ГАЗЕЛЬ шт 26₽ 18₽
В корзину
3302-2902027 3302-2902027 Шарнир резинометаллический
Фото Артикул Наименование Модель Ед. Наличие Цена в магазине сегодня Цена интернет магазина
шарнир резинометаллический рессорный Газель,Соболь "Трек" г.Миасс 00000018746 шарнир резинометаллический рессорный Газель,Соболь "Трек" г.Миасс ГАЗЕЛЬ шт 552₽ 397₽
В корзину
шарнир резинометаллический рессорный  Газель,Соболь "БРТ" г.Балаково 00000023798 шарнир резинометаллический рессорный Газель,Соболь "БРТ" г.Балаково ГАЗЕЛЬ шт 441₽ 406₽
В корзину
сайлентблок TRIALLI Газель 00000042430 сайлентблок TRIALLI Газель ГАЗЕЛЬ шт 331₽ 304₽
В корзину
сайлентблок /G-PART/ 00000059666 сайлентблок /G-PART/ ГАЗЕЛЬ 229₽ 214₽
В корзину
3302-2902027 3302-2902027 Шарнир резинометаллический
Фото Артикул Наименование Модель Ед. Наличие Цена в магазине сегодня Цена интернет магазина
шарнир резинометаллический рессорный Газель,Соболь "Трек" г.Миасс 00000018746 шарнир резинометаллический рессорный Газель,Соболь "Трек" г.Миасс ГАЗЕЛЬ шт 552₽ 397₽
В корзину
шарнир резинометаллический рессорный  Газель,Соболь "БРТ" г.Балаково 00000023798 шарнир резинометаллический рессорный Газель,Соболь "БРТ" г.Балаково ГАЗЕЛЬ шт 441₽ 406₽
В корзину
сайлентблок TRIALLI Газель 00000042430 сайлентблок TRIALLI Газель ГАЗЕЛЬ шт 331₽ 304₽
В корзину
сайлентблок /G-PART/ 00000059666 сайлентблок /G-PART/ ГАЗЕЛЬ 229₽ 214₽
В корзину
3302-2902102-10 3302-2902102-10 Лист N 2 рессоры
Фото Артикул Наименование Модель Ед. Наличие Цена в магазине сегодня Цена интернет магазина
лист подкорен.задн. 00000059198 лист подкорен.задн. ГАЗЕЛЬ 1993₽ 1953₽
Нет в наличии
3302-2902466 3302-2902466 Щека серьги
Фото Артикул Наименование Модель Ед. Наличие Цена в магазине сегодня Цена интернет магазина
щека серьги рессоры Газель,Соболь 00000016709 щека серьги рессоры Газель,Соболь ГАЗЕЛЬ шт 138₽ 127₽
В корзину
пластина рессор"ГАЗ" 00000053187 пластина рессор"ГАЗ" ГАЗЕЛЬ 129₽ 120₽
В корзину
3302-2912010-10 3302-2912010-10 Рессора задняя с шарнирами (многолистовая)
Фото Артикул Наименование Модель Ед. Наличие Цена в магазине сегодня Цена интернет магазина
рессора зад/сб.5лист 00000053895 рессора зад/сб.5лист ГАЗЕЛЬ 7499₽ 7499₽
Нет в наличии
3302-2912103-10 3302-2912103-10 Лист N 3 задней рессоры
Фото Артикул Наименование Модель Ед. Наличие Цена в магазине сегодня Цена интернет магазина
лист №3 зад.5 лист. 00000059193 лист №3 зад.5 лист. ГАЗЕЛЬ 1641₽ 1641₽
Нет в наличии
3302-2912408-20 3302-2912408-20 Стремянка задней рессоры
Фото Артикул Наименование Модель Ед. Наличие Цена в магазине сегодня Цена интернет магазина
стремянка рессоры 170мм сборе Газель 00000044988 стремянка рессоры 170мм сборе Газель Газель шт 235₽ 169₽
В корзину
Стремянка рессоры "ГАЗ" 3302 (210мм) 00000044989 Стремянка рессоры "ГАЗ" 3302 (210мм) Газель шт 219₽ 219₽
В корзину
Стремянка рессоры Газель 3302 (210мм) 00000044990 Стремянка рессоры Газель 3302 (210мм) Газель шт 211₽ 194₽
В корзину
Стремянка задней рессоры "ГАЗ" 3302 00000044991 Стремянка задней рессоры "ГАЗ" 3302 Газель шт 324₽ 298₽
В корзину
стремянка рессоры 200мм сборе Газель 00000054263 стремянка рессоры 200мм сборе Газель Газель шт 195₽ 182₽
В корзину
стремянка рессоры 130мм сб.  00000059732 стремянка рессоры 130мм сб. Газель шт 144₽ 135₽
В корзину
стремянка рессоры 150мм сб. 00000061533 стремянка рессоры 150мм сб. Газель 200₽ 184₽
В корзину
стремянка рессор задняя длинная Газель Н.Новгород 00000019316 стремянка рессор задняя длинная Газель Н.Новгород ГАЗЕЛЬ шт 166₽ 155₽
В корзину
3302-2912446 3302-2912446 Кронштейн задней рессоры - задний
Фото Артикул Наименование Модель Ед. Наличие Цена в магазине сегодня Цена интернет магазина
кронштейн задней рессоры задний  Газель 3302-2912446 00000015213 кронштейн задней рессоры задний Газель 3302-2912446 ГАЗЕЛЬ шт 1334₽ 1247₽
В корзину
3302-2915541 3302-2915541 Кронштейн заднего амортизатора верхний
Фото Артикул Наименование Модель Ед. Наличие Цена в магазине сегодня Цена интернет магазина
кронштейн заднего амортизатоа верхний  Газель NEXT 00000015240 кронштейн заднего амортизатоа верхний Газель NEXT Next шт 1348₽ 1261₽
В корзину
51-2912622 51-2912622 Буфер задней рессоры в сборе
Фото Артикул Наименование Модель Ед. Наличие Цена в магазине сегодня Цена интернет магазина
буфер задней рессоры в сборе "СЗРТ" Газель Газ-3302,2705,3221 51-2912622 00000013230 буфер задней рессоры в сборе "СЗРТ" Газель Газ-3302,2705,3221 51-2912622 ГАЗЕЛЬ шт 160₽ 115₽
В корзину
52-2913428 52-2913428 Подушка задней дополнительной рессоры в сборе
Фото Артикул Наименование Модель Ед. Наличие Цена в магазине сегодня Цена интернет магазина
подушка задней дополнительной рессоры ЯРТИ Газель,Газ-53,3307 00000016307 подушка задней дополнительной рессоры ЯРТИ Газель,Газ-53,3307 ГАЗЕЛЬ шт 352₽ 253₽
В корзину
подушка задней дополнительной рессоры РТИ Газель,Газ-53,3307 00000016308 подушка задней дополнительной рессоры РТИ Газель,Газ-53,3307 ГАЗЕЛЬ шт 88₽ 63₽
В корзину