Торговая марка
основана в 1994 году

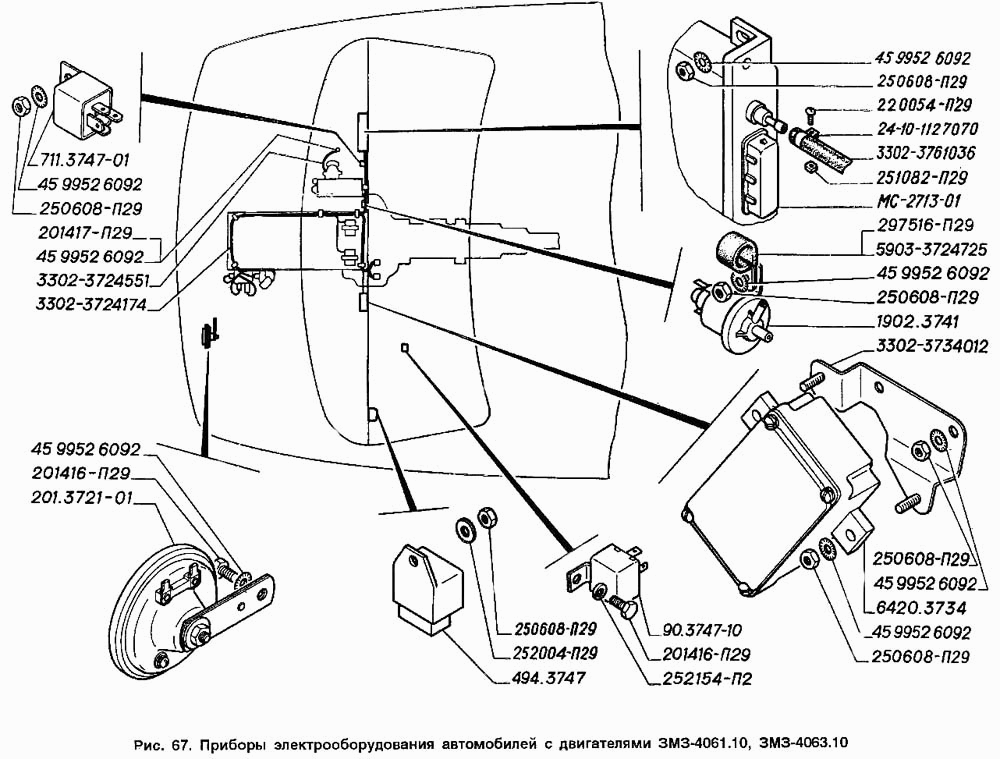
Приборы электрооборудования автомобилей с двигателями ЗМЗ-4061.10, ЗМЗ-4063.10

Приборы электрооборудования автомобилей с двигателями ЗМЗ-4061.10, ЗМЗ-4063.10
Метка Каталожный номер Наименование детали Наличие
201.3721-01 201.3721-01 Сигнал звуковой безрупорный (201.3721000-01)
Фото Артикул Наименование Модель Ед. Наличие Цена в магазине сегодня Цена интернет магазина
сигнал звуковой "ЛЭТЗ" г.Лысково Газель 00000018959 сигнал звуковой "ЛЭТЗ" г.Лысково Газель ГАЗЕЛЬ шт 701₽ 656₽
Нет в наличии
494.3747 494.3747 Прерыватель указателей поворота и аварийной сигнализации
Фото Артикул Наименование Модель Ед. Наличие Цена в магазине сегодня Цена интернет магазина
прерыватель указателей поворота "Авар" г.Псков Волга,Газель 494.3747 00000018227 прерыватель указателей поворота "Авар" г.Псков Волга,Газель 494.3747 Г-3110 шт 625₽ 575₽
В корзину
711.3747-01 711.3747-01 Реле стартера (711.3747000-01)
Фото Артикул Наименование Модель Ед. Наличие Цена в магазине сегодня Цена интернет магазина
реле стартера 30А 24V 00000059589 реле стартера 30А 24V 24V шт 352₽ 329₽
В корзину