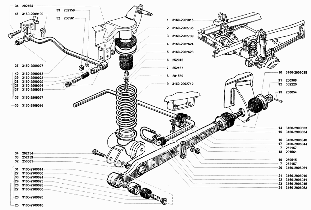
Подвеска передняя в сборе, пружины передние, стабилизатор поперечной устойчивости и штанги реактивные передней подвески
| Метка | Каталожный номер | Наименование детали | Наличие | |||||||||||||||||||||||||
|---|---|---|---|---|---|---|---|---|---|---|---|---|---|---|---|---|---|---|---|---|---|---|---|---|---|---|---|---|
| 2 | 3160-2902738 | Подушка опоры пружины | ||||||||||||||||||||||||||
|
||||||||||||||||||||||||||||
| 16 | 3160-2906040 | Подушка штанги стабилизатора | ||||||||||||||||||||||||||
|
||||||||||||||||||||||||||||
| 22 | 3160-2906041 | Подушка стабилизатора | ||||||||||||||||||||||||||
|
||||||||||||||||||||||||||||
| 26 | 3160-2909020 | Шарнир резино-металлический | ||||||||||||||||||||||||||
|
||||||||||||||||||||||||||||
| 14 | 3160-2909033 | Втулка опорная конца продольной штанги | ||||||||||||||||||||||||||
|
||||||||||||||||||||||||||||
