Торговая марка
основана в 1994 году

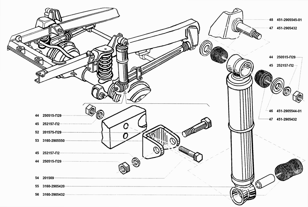
Амортизаторы передние

Амортизаторы передние
Метка Каталожный номер Наименование детали Наличие
55 3160-2905420 Втулка внутренняя шарнира амортизатора
Фото Артикул Наименование Модель Ед. Наличие Цена интернет магазина
Втулка внутренняя шарнира амортизатора "УАЗ" У-31512,31514,31519,3160,3163 00000013395 Втулка внутренняя шарнира амортизатора "УАЗ" У-31512,31514,31519,3160,3163 У-3160 шт 28₽
В корзину
56 3160-2905432 Втулка наружная шарнира амортизатора
Фото Артикул Наименование Модель Ед. Наличие Цена интернет магазина
Втулка наружная шарнира амортизатора "РТИ" У-31512,31519,31514,3160,3163 00000013388 Втулка наружная шарнира амортизатора "РТИ" У-31512,31519,31514,3160,3163 У-3160 шт 40₽
В корзину