Торговая марка
основана в 1994 году

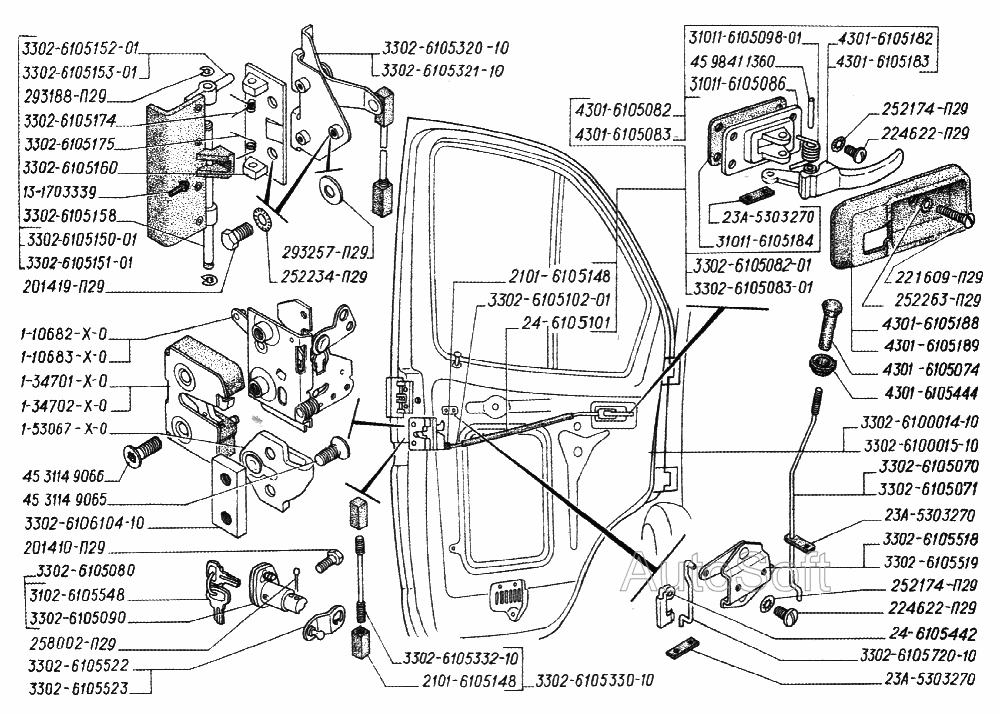
Замок и ручки передних дверей (для автомобилей выпуска с февраля 2000 года до февраля 2004 года)

Замок и ручки передних дверей (для автомобилей выпуска с февраля 2000 года до февраля 2004 года)
Метка Каталожный номер Наименование детали Наличие
1-34701-Х-0 1-34701-Х-0 Механизм замка двери запорный правый
Фото Артикул Наименование Модель Ед. Наличие Цена интернет магазина
Запорный механизм замка правый нового образца "БРАНО" Газель,Соболь 00000052083 Запорный механизм замка правый нового образца "БРАНО" Газель,Соболь ГАЗЕЛЬ шт 274₽
В корзину
1-34702-Х-0 1-34702-Х-0 Механизм замка двери запорный левый
Фото Артикул Наименование Модель Ед. Наличие Цена интернет магазина
Запорный механизм замка левый нового образца "БРАНО" Газель,Соболь 00000014265 Запорный механизм замка левый нового образца "БРАНО" Газель,Соболь ГАЗЕЛЬ шт 253₽
В корзину
защелка замка н/о л.ГАЗ 00000058974 защелка замка н/о л.ГАЗ ГАЗЕЛЬ 639₽
Нет в наличии
1-53067-Х-0 1-53067-Х-0 Фиксатор замка
Фото Артикул Наименование Модель Ед. Наличие Цена интернет магазина
Фиксатор замка нового образца "БРАНО" Газель,ВОЛГА 00000019964 Фиксатор замка нового образца "БРАНО" Газель,ВОЛГА ГАЗЕЛЬ шт 207₽
В корзину
3302-6105080 3302-6105080 Выключатель замка с ключами
Фото Артикул Наименование Модель Ед. Наличие Цена интернет магазина
комплект выключателей (2 шт.)  замков дверей с ключами (до 2004 г.в.)  Газель Газ-3302  3302-6105080 00000015778 комплект выключателей (2 шт.) замков дверей с ключами (до 2004 г.в.) Газель Газ-3302 3302-6105080 ГАЗЕЛЬ компл 345₽
В корзину
3302-6105150-01 3302-6105150-01 Ручка двери наружная правая в сборе
Фото Артикул Наименование Модель Ед. Наличие Цена интернет магазина
ручка двери наружная усиленная правая "Мехфабрика №1" г.Киров Газель,Соболь 3302-6105150 00000018610 ручка двери наружная усиленная правая "Мехфабрика №1" г.Киров Газель,Соболь 3302-6105150 ГАЗЕЛЬ шт 150₽
В корзину
3302-6105151-01 3302-6105151-01 Ручка двери наружная левая
Фото Артикул Наименование Модель Ед. Наличие Цена интернет магазина
ручка двери наружная усиленная левая "Мехфабрика №1" г.Киров Газель,Соболь 3302-6105151 00000018609 ручка двери наружная усиленная левая "Мехфабрика №1" г.Киров Газель,Соболь 3302-6105151 ГАЗЕЛЬ шт 150₽
В корзину
3302-6105522 3302-6105522 Поводок кулачка с шаровым пальцем правый
Фото Артикул Наименование Модель Ед. Наличие Цена интернет магазина
кулачок личины дв.п 00000059167 кулачок личины дв.п Г-3302 215₽
В корзину
4301-6105082 4301-6105082 Привод замка двери внутренний правый
Фото Артикул Наименование Модель Ед. Наличие Цена интернет магазина
привод замка двери внутренний правый  Газель,Газ-3307,4301 4301-6105082 00000015461 привод замка двери внутренний правый Газель,Газ-3307,4301 4301-6105082 ГАЗЕЛЬ шт 128₽
В корзину
4301-6105083 4301-6105083 Привод замка двери внутренний левый
Фото Артикул Наименование Модель Ед. Наличие Цена интернет магазина
привод замка двери внутренний левый  Газель,Газ-3307,4301 4301-6105083 00000023241 привод замка двери внутренний левый Газель,Газ-3307,4301 4301-6105083 ГАЗЕЛЬ шт 128₽
В корзину
4301-6105188 4301-6105188 Розетка внутреннего привода правая
Фото Артикул Наименование Модель Ед. Наличие Цена интернет магазина
розетка внутреннего привода замка передней двери правая  Газель 4301-6105188 00000052932 розетка внутреннего привода замка передней двери правая Газель 4301-6105188 Газель шт 58₽
В корзину
4301-6105189 4301-6105189 Розетка внутреннего привода левая
Фото Артикул Наименование Модель Ед. Наличие Цена интернет магазина
розетка внутреннего привода замка передней двери левая "Автокомпонент" г.Н.Новгород Газель 4301-6105189 00000052931 розетка внутреннего привода замка передней двери левая "Автокомпонент" г.Н.Новгород Газель 4301-6105189 Газель шт 58₽
В корзину