Торговая марка
основана в 1994 году

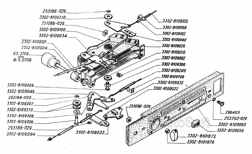
Управление вентиляцией и отоплением (для автомобилей выпуска до 2003 года)

Управление вентиляцией и отоплением (для автомобилей выпуска до 2003 года)