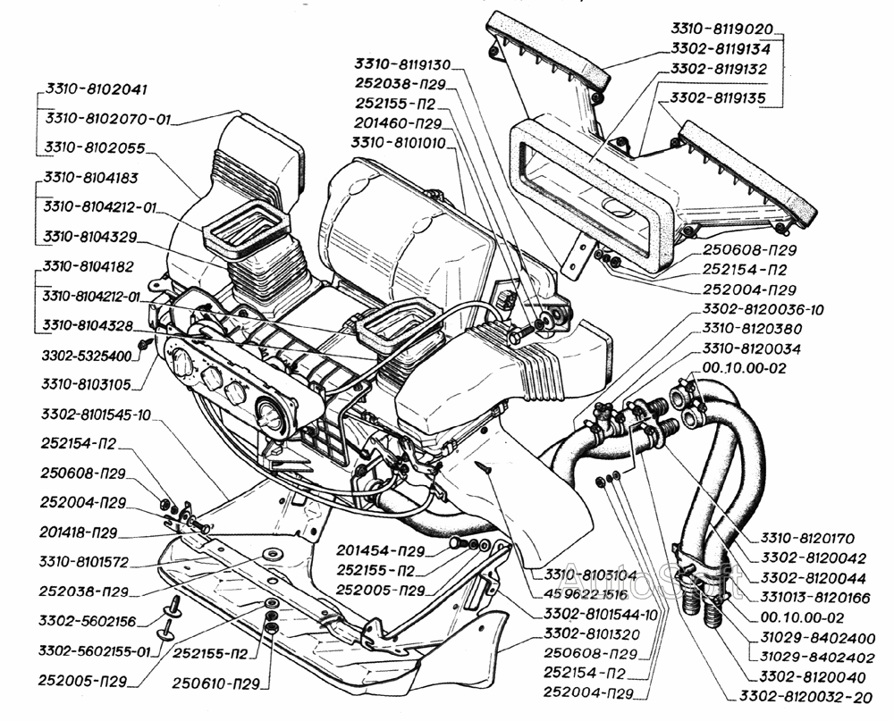
Установка отопителя (для автомобилей выпуска с 2003 года)
| Метка | Каталожный номер | Наименование детали | Наличие | |||||||||||||||||||||||||||||||||
|---|---|---|---|---|---|---|---|---|---|---|---|---|---|---|---|---|---|---|---|---|---|---|---|---|---|---|---|---|---|---|---|---|---|---|---|---|
| 3302-5602155-01 | 3302-5602155-01 | Пистон крепления | ||||||||||||||||||||||||||||||||||
|
||||||||||||||||||||||||||||||||||||
| 3302-8120032-20 | 3302-8120032-20 | Шланг отопителя подводящий | ||||||||||||||||||||||||||||||||||
|
||||||||||||||||||||||||||||||||||||
| 331013-8120166 | 331013-8120166 | Скоба | ||||||||||||||||||||||||||||||||||
|
||||||||||||||||||||||||||||||||||||

