Торговая марка
основана в 1994 году

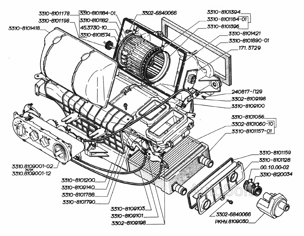
Отопитель (для автомобилей выпуска с 2003 года)

Отопитель (для автомобилей выпуска с 2003 года)
Метка Каталожный номер Наименование детали Наличие
171.3729 171.3729 Резистор добавочный
Фото Артикул Наименование Модель Ед. Наличие Цена интернет магазина
резистор добавочный электродвигателя отопителя Газель (с 2003 г.в.)Калуга 00000019042 резистор добавочный электродвигателя отопителя Газель (с 2003 г.в.)Калуга ГАЗЕЛЬ шт 828₽
В корзину
3302-8101060-10 3302-8101060-10 Радиатор отопителя
Фото Артикул Наименование Модель Ед. Наличие Цена интернет магазина
радиатор отопителя алюминиевый патрубки 18 мм. Газель "ЛРЗ" г.Лихославль 00000017863 радиатор отопителя алюминиевый патрубки 18 мм. Газель "ЛРЗ" г.Лихославль ГАЗЕЛЬ шт 1515₽
В корзину
радиатор отопителя медный 2-х рядный патрубки 18 мм. Газель 3302.8101.060-32  ООО "Оренбургский радиатор" г.Оренбург 00000023659 радиатор отопителя медный 2-х рядный патрубки 18 мм. Газель 3302.8101.060-32 ООО "Оренбургский радиатор" г.Оренбург Г-3302 шт 3854₽
Нет в наличии
радиатор отопителя алюминиевый патрубки 16 мм. Газель г.Димитровград 00000036341 радиатор отопителя алюминиевый патрубки 16 мм. Газель г.Димитровград ГАЗЕЛЬ шт 1054₽
Нет в наличии
радиатор отопителя алюминиевый патрубки "LUZAR" 18 мм. Газель 00000053658 радиатор отопителя алюминиевый патрубки "LUZAR" 18 мм. Газель ГАЗЕЛЬ шт 1277₽
Нет в наличии
радиатор отопителя 3 рядный ШААЗ Газель (с 2003 года) г.Шадринск 00000053659 радиатор отопителя 3 рядный ШААЗ Газель (с 2003 года) г.Шадринск ГАЗЕЛЬ шт 3918₽
Нет в наличии
3310-8101178 3310-8101178 Электродвигатель отопителя с фланцем
Фото Артикул Наименование Модель Ед. Наличие Цена интернет магазина
мотор печки PRAVT н/о 00000065260 мотор печки PRAVT н/о ГАЗЕЛЬ 1082₽
В корзину
45.3730-10 45.3730-10 Электродвигатель отопителя с вентилятором
Фото Артикул Наименование Модель Ед. Наличие Цена интернет магазина
электродвигатель вентилятора переднего отопителя "LUZAR" LFh0302 Газель (с 2003 г.в.) 45.3730-10 00000015893 электродвигатель вентилятора переднего отопителя "LUZAR" LFh0302 Газель (с 2003 г.в.) 45.3730-10 ГАЗЕЛЬ шт 1281₽
В корзину
Электродвигатель отопителя с фланцем Газель,Соболь г.Калуга 00000015898 Электродвигатель отопителя с фланцем Газель,Соболь г.Калуга ГАЗЕЛЬ шт 2013₽
В корзину
мотор печки н/о ПРАМО 00000036198 мотор печки н/о ПРАМО ГАЗЕЛЬ 1009₽
Нет в наличии
РКНУ.8109030 РКНУ.8109030 Кран управления отопителем
Фото Артикул Наименование Модель Ед. Наличие Цена интернет магазина
кран управления отопителем электрический Газель РКНУ.8109030 ООО"ЛМЗ "СТАРТ" г.Арзамас 00000015108 кран управления отопителем электрический Газель РКНУ.8109030 ООО"ЛМЗ "СТАРТ" г.Арзамас ГАЗЕЛЬ шт 979₽
В корзину