Торговая марка
основана в 1994 году

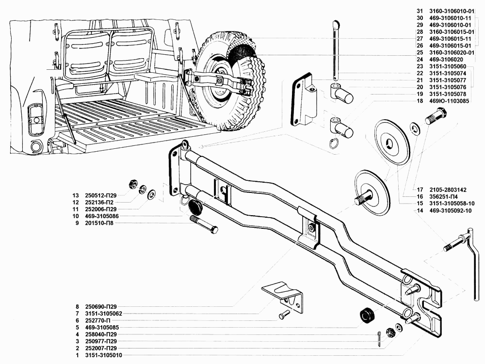
Держатель запасного колеса, покрышки и камеры

Держатель запасного колеса, покрышки и камеры