Торговая марка
основана в 1994 году

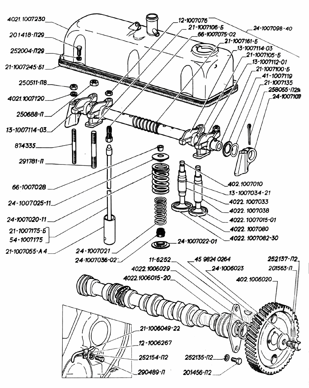
Вал распределительный, ось коромысел, клапаны и толкатели клапанов, крышка коромысел двигателей ЗМЗ-402

Вал распределительный, ось коромысел, клапаны и толкатели клапанов, крышка коромысел двигателей ЗМЗ-402
Метка Каталожный номер Наименование детали Наличие
11-6252 11-6252 Фланец упорный распределительного вала
Фото Артикул Наименование Модель Ед. Наличие Цена интернет магазина
фланец упорный распределительного вала ЗМЗ-402 "ЗМЗ" 00000020091 фланец упорный распределительного вала ЗМЗ-402 "ЗМЗ" Г-402 шт 160₽
В корзину
21-1007245-Б1 21-1007245-Б1 Прокладка крышки коромысел
Фото Артикул Наименование Модель Ед. Наличие Цена интернет магазина
прокладка крышки коромысел пробковая "ЕзАТИ / Кинель" г.Егорьевск. Волга,Газель,УАЗ ЗМЗ-402 00000017425 прокладка крышки коромысел пробковая "ЕзАТИ / Кинель" г.Егорьевск. Волга,Газель,УАЗ ЗМЗ-402 Волга шт 177₽
В корзину
прокладка крышки коромысел "силиконовая" Волга,Газель,УАЗ ЗМЗ-402 Н.Новгород 00000017529 прокладка крышки коромысел "силиконовая" Волга,Газель,УАЗ ЗМЗ-402 Н.Новгород Г-402 шт 173₽
В корзину
прокладка крышки коромысел резиновая черная "ЯРТИ" г.Ярославль Волга,Газель,УАЗ ЗМЗ-402 00000017536 прокладка крышки коромысел резиновая черная "ЯРТИ" г.Ярославль Волга,Газель,УАЗ ЗМЗ-402 Г24 шт 89₽
В корзину
прокладка кл.кр.сил.CS20 00000053556 прокладка кл.кр.сил.CS20 Г-402 280₽
Нет в наличии
24-1007025-11 24-1007025-11 Тарелка пружин клапанов
Фото Артикул Наименование Модель Ед. Наличие Цена интернет магазина
тарелка клапанов вер 00000059742 тарелка клапанов вер Г402 357₽
Нет в наличии
24-1007036-02 24-1007036-02 Колпачок маслоотражательный клапана
Фото Артикул Наименование Модель Ед. Наличие Цена интернет магазина
колпачки м/с."Getze 00000059063 колпачки м/с."Getze Волга 75₽
В корзину
250688-П 250688-П Гайка М10х1-6Н
Фото Артикул Наименование Модель Ед. Наличие Цена интернет магазина
гайка М10х1-6Н крепления оси коромысел "Красная Этна" г.Н.Новгород Волга,Газель ЗМЗ-402 250688-П 00000013572 гайка М10х1-6Н крепления оси коромысел "Красная Этна" г.Н.Новгород Волга,Газель ЗМЗ-402 250688-П Г-402 шт 12₽
В корзину
291781-П 291781-П Шпилька М10х1-4hх65
Фото Артикул Наименование Модель Ед. Наличие Цена интернет магазина
Шпилька оси коромысел большая г.Белебей (М10х1-4hх65) Г-402 Волга,Газель,УАЗ 00000020767 Шпилька оси коромысел большая г.Белебей (М10х1-4hх65) Г-402 Волга,Газель,УАЗ Г-402 шт 29₽
В корзину
402.1006020 402.1006020 Шестерня распределительного вала
Фото Артикул Наименование Модель Ед. Наличие Цена интернет магазина
Шестерня распределительного вала ЗМЗ Г402 ВОЛГА,Газель,УАЗ 00000020598 Шестерня распределительного вала ЗМЗ Г402 ВОЛГА,Газель,УАЗ Г402 шт 1752₽
В корзину
402.1007010 402.1007010 Клапан впускной
Фото Артикул Наименование Модель Ед. Наличие Цена интернет магазина
клапан впускной Волга,Газель ЗМЗ-402 402.1007010 "ЧАМЗ" г.Челябинск 00000014536 клапан впускной Волга,Газель ЗМЗ-402 402.1007010 "ЧАМЗ" г.Челябинск Г-2410 шт 237₽
В корзину
клапан впуск"TANAKI" 00000059009 клапан впуск"TANAKI" Г-402 241₽
В корзину
54-1007175 54-1007175 Штанга толкателя клапана
Фото Артикул Наименование Модель Ед. Наличие Цена интернет магазина
штанга толкателя клапана "ЗМЗ" АИ-92 Г54 00000020801 штанга толкателя клапана "ЗМЗ" АИ-92 Г54 Г54 шт 265₽
В корзину
66-1007028 66-1007028 Сухарь клапана
Фото Артикул Наименование Модель Ед. Наличие Цена интернет магазина
сухарь клапана 00000059736 сухарь клапана Волга 207₽
В корзину
66-1007075-02 66-1007075-02 Винт регулировочный клапана
Фото Артикул Наименование Модель Ед. Наличие Цена интернет магазина
винт регулировочный клапана "ЗМЗ" ЗМЗ-402,4021,4025,4026 66-1007075-02 00000013119 винт регулировочный клапана "ЗМЗ" ЗМЗ-402,4021,4025,4026 66-1007075-02 Г-402 шт 29₽
В корзину
874335 874335 Шпилька М8х1х58
Фото Артикул Наименование Модель Ед. Наличие Цена интернет магазина
Шпилька оси коромысел малая (М8х1х58) "ЗМЗ" Г-402 Волга,Газель,УАЗ 00000020768 Шпилька оси коромысел малая (М8х1х58) "ЗМЗ" Г-402 Волга,Газель,УАЗ Г-402 шт 17₽
В корзину