Торговая марка
основана в 1994 году

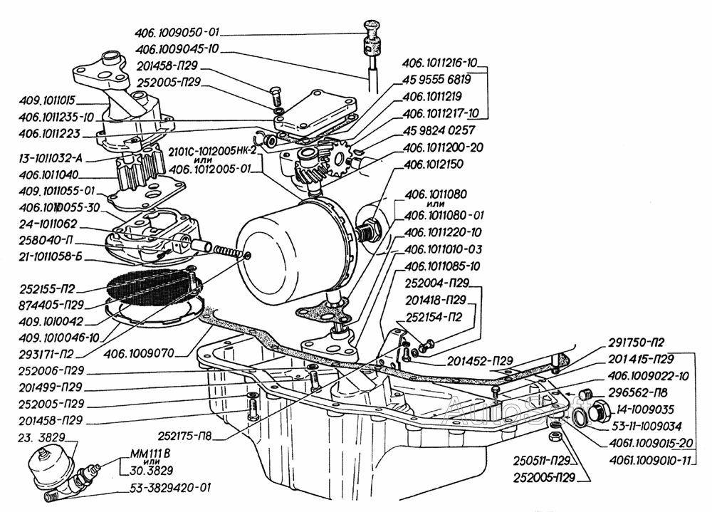
Насос масляный и его привод, фильтр очистки масла, картер, указатель уровня масла, датчики давления и аварийного давления масла

Насос масляный и его привод, фильтр очистки масла, картер, указатель уровня масла, датчики давления и аварийного давления масла
Метка Каталожный номер Наименование детали Наличие
14-1009035 14-1009035 Пробка М18х1,5-6g
Фото Артикул Наименование Модель Ед. Наличие Цена интернет магазина
пробка масляного картера "ЗМЗ" Волга,Газель ЗМЗ-406,405 296494-629 00000017336 пробка масляного картера "ЗМЗ" Волга,Газель ЗМЗ-406,405 296494-629 Г-406 шт 49₽
В корзину
250511-П29 250511-П29 Гайка М8х1-6Н ОСТ 37.001.124-93
Фото Артикул Наименование Модель Ед. Наличие Цена интернет магазина
Гайка М8*1,0 БелЗАН-САК. 00000013565 Гайка М8*1,0 БелЗАН-САК. шт 2₽
В корзину
406.1009070 406.1009070 Прокладка масляного картера
Фото Артикул Наименование Модель Ед. Наличие Цена интернет магазина
прокладка масляного картера резинопробковая "БРТ" Волга,Газель,УАЗ ЗМЗ-406,405,409 00000017454 прокладка масляного картера резинопробковая "БРТ" Волга,Газель,УАЗ ЗМЗ-406,405,409 Г-406 шт 98₽
В корзину
прокладка масляного картера силиконовая Волга,Газель,УАЗ ЗМЗ-406,405,409 Н.Новгород 00000017457 прокладка масляного картера силиконовая Волга,Газель,УАЗ ЗМЗ-406,405,409 Н.Новгород Г-406 шт 175₽
В корзину
прокладка масляного картера пробковая "Саморим" г.Кинель" Волга,Газель,УАЗ ЗМЗ-406,405,409 00000017470 прокладка масляного картера пробковая "Саморим" г.Кинель" Волга,Газель,УАЗ ЗМЗ-406,405,409 Г-406 шт 224₽
В корзину
406.1011080 406.1011080 Прокладка масляного насоса
Фото Артикул Наименование Модель Ед. Наличие Цена интернет магазина
Прокладка масляного насоса "ВАТИ" Г-406,405,409 Газ,УАЗ 00000017555 Прокладка масляного насоса "ВАТИ" Г-406,405,409 Газ,УАЗ Г-406 шт 3₽
В корзину
406.1011200-20 406.1011200-20 Привод масляного насоса
Фото Артикул Наименование Модель Ед. Наличие Цена интернет магазина
привод масл/насоса 00000053467 привод масл/насоса Г-406 1725₽
В корзину
406.1011216-10 406.1011216-10 Шестерня ведущая с гайкой
Фото Артикул Наименование Модель Ед. Наличие Цена интернет магазина
Шестерня ведущая с гайкой "ЗМЗ" Г-406 00000020595 Шестерня ведущая с гайкой "ЗМЗ" Г-406 Г-406 шт 1150₽
В корзину
406.1011220-10 406.1011220-10 Валик привода масляного насоса
Фото Артикул Наименование Модель Ед. Наличие Цена интернет магазина
валик привода масляного насоса "ЗМЗ" Волга,Газель Газ-3110,31105,3302,2705,3221 ЗМЗ-4062,4063 406.1011220-10 00000051696 валик привода масляного насоса "ЗМЗ" Волга,Газель Газ-3110,31105,3302,2705,3221 ЗМЗ-4062,4063 406.1011220-10 Г406 шт 748₽
В корзину
406.1012150 406.1012150 Штуцер крепления фильтра очистки масла
Фото Артикул Наименование Модель Ед. Наличие Цена интернет магазина
штуцер м/фильтра 00000054805 штуцер м/фильтра 134₽
В корзину
53-3829420-01 53-3829420-01 Штуцер датчиков давления масла
Фото Артикул Наименование Модель Ед. Наличие Цена интернет магазина
штуцер датчиков давления масла  Волга,Газель ЗМЗ-406,405 00000016601 штуцер датчиков давления масла Волга,Газель ЗМЗ-406,405 Г-406 шт 251₽
В корзину