Торговая марка
основана в 1994 году

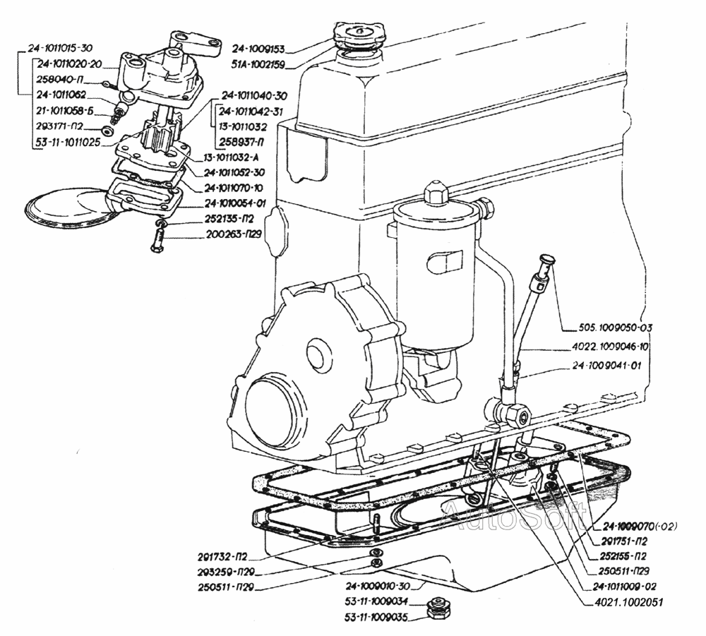
Картер масляный, указатель уровня масла, насос масляный, крышка маслоналивного патрубка двигателей ЗМЗ-402

Картер масляный, указатель уровня масла, насос масляный, крышка маслоналивного патрубка двигателей ЗМЗ-402
Метка Каталожный номер Наименование детали Наличие
24-1009070 24-1009070 Прокладка масляного картера
Фото Артикул Наименование Модель Ед. Наличие Цена интернет магазина
прокладка масляного картера резинопробковая "БРТ" Волга,Газель,УАЗ ЗМЗ-402 00000017455 прокладка масляного картера резинопробковая "БРТ" Волга,Газель,УАЗ ЗМЗ-402 Г-24 шт 73₽
В корзину
прокладка масляного картера пробковая "Саморим" г.Кинель Волга,Газель,УАЗ ЗМЗ-402 00000017469 прокладка масляного картера пробковая "Саморим" г.Кинель Волга,Газель,УАЗ ЗМЗ-402 Г24 шт 101₽
В корзину
24-1009070-02 24-1009070-02 Прокладка масляного картера
Фото Артикул Наименование Модель Ед. Наличие Цена интернет магазина
прокладка масляного картера резинопробковая "БРТ" Волга,Газель,УАЗ ЗМЗ-402 00000017455 прокладка масляного картера резинопробковая "БРТ" Волга,Газель,УАЗ ЗМЗ-402 Г-24 шт 73₽
В корзину
прокладка масляного картера пробковая "Саморим" г.Кинель Волга,Газель,УАЗ ЗМЗ-402 00000017469 прокладка масляного картера пробковая "Саморим" г.Кинель Волга,Газель,УАЗ ЗМЗ-402 Г24 шт 101₽
В корзину
24-1011070-10 24-1011070-10 Прокладка приемного патрубка
Фото Артикул Наименование Модель Ед. Наличие Цена интернет магазина
прокладка м/насоса 00000059505 прокладка м/насоса Г24 3₽
В корзину
250511-П29 250511-П29 Гайка М8х1-6Н ОСТ 37.001.124-93
Фото Артикул Наименование Модель Ед. Наличие Цена интернет магазина
Гайка М8*1,0 БелЗАН-САК. 00000013565 Гайка М8*1,0 БелЗАН-САК. шт 2₽
В корзину
250511-П29 250511-П29 Гайка М8х1-6Н ОСТ 37.001.124-93
Фото Артикул Наименование Модель Ед. Наличие Цена интернет магазина
Гайка М8*1,0 БелЗАН-САК. 00000013565 Гайка М8*1,0 БелЗАН-САК. шт 2₽
В корзину
291732-П2 291732-П2 Шпилька М8х1-4hх14
Фото Артикул Наименование Модель Ед. Наличие Цена интернет магазина
шпилька поддона М8х1-4hх14 00000020772 шпилька поддона М8х1-4hх14 шт 7₽
В корзину
51А-1002159 51А-1002159 Прокладка крышки
Фото Артикул Наименование Модель Ед. Наличие Цена интернет магазина
прокладка крышки маслозаливной горловины "РТИ" Волга,Газель,УАЗ,Газ-53,3307 00000023605 прокладка крышки маслозаливной горловины "РТИ" Волга,Газель,УАЗ,Газ-53,3307 Г-402 шт 6₽
В корзину