Торговая марка
основана в 1994 году

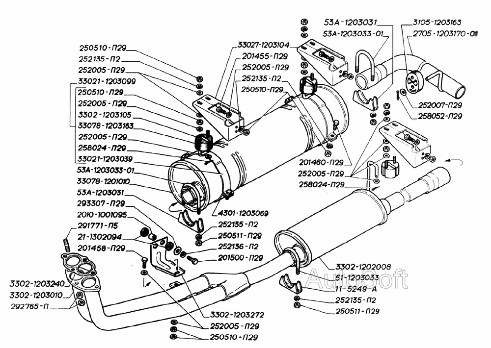
Глушитель, резонатор, трубы и подвеска глушителя двигателей ЗМЗ-406 (для автомобилей выпуска до августа 2003года)

Глушитель, резонатор, трубы и подвеска глушителя двигателей ЗМЗ-406 (для автомобилей выпуска до августа 2003года)
Метка Каталожный номер Наименование детали Наличие
21-1302094 21-1302094 Прокладка крепления кронштейна
Фото Артикул Наименование Модель Ед. Наличие Цена интернет магазина
втулка крепления резонатора в сборе Волга Газ-2410,31029,3110 21-1302094 "РТИ" г.Ярославль 00000013413 втулка крепления резонатора в сборе Волга Газ-2410,31029,3110 21-1302094 "РТИ" г.Ярославль Волга шт 29₽
В корзину
250511-П29 250511-П29 Гайка М8х1-6Н ОСТ 37.001.124-93
Фото Артикул Наименование Модель Ед. Наличие Цена интернет магазина
Гайка М8*1,0 БелЗАН-САК. 00000013565 Гайка М8*1,0 БелЗАН-САК. шт 2₽
В корзину
250511-П29 250511-П29 Гайка М8х1-6Н ОСТ 37.001.124-93
Фото Артикул Наименование Модель Ед. Наличие Цена интернет магазина
Гайка М8*1,0 БелЗАН-САК. 00000013565 Гайка М8*1,0 БелЗАН-САК. шт 2₽
В корзину
2705-1203170-01 2705-1203170-01 Труба выхлопная
Фото Артикул Наименование Модель Ед. Наличие Цена интернет магазина
Труба выхлопная (старого образца) Г-402,406 Г-2705,3221 00000016115 Труба выхлопная (старого образца) Г-402,406 Г-2705,3221 Г-2705 шт 617₽
В корзину
3105-1203163 3105-1203163 Амортизатор подвески глушителя и выхлопной трубы
Фото Артикул Наименование Модель Ед. Наличие Цена интернет магазина
амортизатор подвески глушителя и выхлопной трубы полиуретановая г.Липецк Газель,Соболь 00000016817 амортизатор подвески глушителя и выхлопной трубы полиуретановая г.Липецк Газель,Соболь СОБОЛЬ шт 66₽
В корзину
амортизатор подвески глушителя и выхлопной трубы "БРТ" Газель,Соболь 00000016819 амортизатор подвески глушителя и выхлопной трубы "БРТ" Газель,Соболь СОБОЛЬ шт 34₽
В корзину
3302-1202008 3302-1202008 Резонатор
Фото Артикул Наименование Модель Ед. Наличие Цена интернет магазина
резонатор системы выпуска газов г.Н.Новгород Газель Газ-3302 00000018155 резонатор системы выпуска газов г.Н.Новгород Газель Газ-3302 ГАЗЕЛЬ шт 1817₽
В корзину
резонатор системы выпуска газов г.Арзамас Газель Газ-3302 00000028381 резонатор системы выпуска газов г.Арзамас Газель Газ-3302 ГАЗЕЛЬ шт 1291₽
Нет в наличии
3302-1203010 3302-1203010 Трубы приемные
Фото Артикул Наименование Модель Ед. Наличие Цена интернет магазина
труба приемная системы выпуска газов  Газель ЗМЗ-406 00000019625 труба приемная системы выпуска газов Газель ЗМЗ-406 ГАЗЕЛЬ шт 2266₽
В корзину
3302-1203240 3302-1203240 Прокладка приемной трубы
Фото Артикул Наименование Модель Ед. Наличие Цена интернет магазина
прокладка приемной трубы "ВАТИ"  Волга,Газель  ЗМЗ-406 00000017592 прокладка приемной трубы "ВАТИ" Волга,Газель ЗМЗ-406 Г-406 шт 152₽
В корзину
3302-1203272 3302-1203272 Кронштейн крепления труб к коробке
Фото Артикул Наименование Модель Ед. Наличие Цена интернет магазина
кронштейн пр.тр.Г406 00000052482 кронштейн пр.тр.Г406 ГАЗЕЛЬ 367₽
Нет в наличии
33078-1203163 33078-1203163 Амортизатор
Фото Артикул Наименование Модель Ед. Наличие Цена интернет магазина
втулка креплен.глуш. 00000058877 втулка креплен.глуш. ГАЗЕЛЬ 74₽
В корзину