Торговая марка
основана в 1994 году

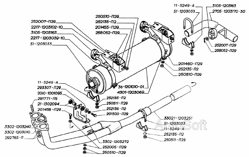
Глушитель, резонатор, трубы и подвеска глушителя двигателей ЗМЗ-406 (для автомобилей выпуска с августа 2003года)

Глушитель, резонатор, трубы и подвеска глушителя двигателей ЗМЗ-406 (для автомобилей выпуска с августа 2003года)
Метка Каталожный номер Наименование детали Наличие
21-1302094 21-1302094 Прокладка крепления кронштейна
Фото Артикул Наименование Модель Ед. Наличие Цена интернет магазина
втулка крепления резонатора в сборе Волга Газ-2410,31029,3110 21-1302094 "РТИ" г.Ярославль 00000013413 втулка крепления резонатора в сборе Волга Газ-2410,31029,3110 21-1302094 "РТИ" г.Ярославль Волга шт 29₽
В корзину
250511-П29 250511-П29 Гайка М8х1-6Н ОСТ 37.001.124-93
Фото Артикул Наименование Модель Ед. Наличие Цена интернет магазина
Гайка М8*1,0 БелЗАН-САК. 00000013565 Гайка М8*1,0 БелЗАН-САК. шт 2₽
В корзину
250511-П29 250511-П29 Гайка М8х1-6Н ОСТ 37.001.124-93
Фото Артикул Наименование Модель Ед. Наличие Цена интернет магазина
Гайка М8*1,0 БелЗАН-САК. 00000013565 Гайка М8*1,0 БелЗАН-САК. шт 2₽
В корзину
3105-1203163 3105-1203163 Амортизатор подвески глушителя и выхлопной трубы
Фото Артикул Наименование Модель Ед. Наличие Цена интернет магазина
амортизатор подвески глушителя и выхлопной трубы полиуретановая г.Липецк Газель,Соболь 00000016817 амортизатор подвески глушителя и выхлопной трубы полиуретановая г.Липецк Газель,Соболь СОБОЛЬ шт 66₽
В корзину
амортизатор подвески глушителя и выхлопной трубы "БРТ" Газель,Соболь 00000016819 амортизатор подвески глушителя и выхлопной трубы "БРТ" Газель,Соболь СОБОЛЬ шт 34₽
В корзину
3105-1203163 3105-1203163 Амортизатор подвески глушителя и выхлопной трубы
Фото Артикул Наименование Модель Ед. Наличие Цена интернет магазина
амортизатор подвески глушителя и выхлопной трубы полиуретановая г.Липецк Газель,Соболь 00000016817 амортизатор подвески глушителя и выхлопной трубы полиуретановая г.Липецк Газель,Соболь СОБОЛЬ шт 66₽
В корзину
амортизатор подвески глушителя и выхлопной трубы "БРТ" Газель,Соболь 00000016819 амортизатор подвески глушителя и выхлопной трубы "БРТ" Газель,Соболь СОБОЛЬ шт 34₽
В корзину
3302-1203010 3302-1203010 Трубы приемные
Фото Артикул Наименование Модель Ед. Наличие Цена интернет магазина
труба приемная системы выпуска газов  Газель ЗМЗ-406 00000019625 труба приемная системы выпуска газов Газель ЗМЗ-406 ГАЗЕЛЬ шт 2266₽
В корзину
3302-1203272 3302-1203272 Кронштейн крепления труб к коробке
Фото Артикул Наименование Модель Ед. Наличие Цена интернет магазина
кронштейн пр.тр.Г406 00000052482 кронштейн пр.тр.Г406 ГАЗЕЛЬ 367₽
Нет в наличии