Торговая марка
основана в 1994 году

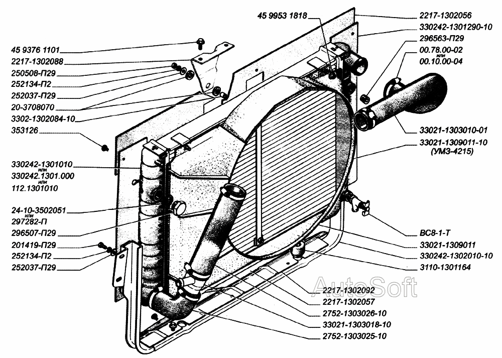
Радиатор двигателей ЗМЗ-402 и УМЗ-4215 (для автомобилей выпуска с октября 2002 года)

Радиатор двигателей ЗМЗ-402 и УМЗ-4215 (для автомобилей выпуска с октября 2002 года)
Метка Каталожный номер Наименование детали Наличие
2217-1302088 2217-1302088 Кронштейн крепления радиатора верхний
Фото Артикул Наименование Модель Ед. Наличие Цена интернет магазина
Кронштейн крепления радиатора верхний  Газель,СОБОЛЬ 00000015187 Кронштейн крепления радиатора верхний Газель,СОБОЛЬ ГАЗЕЛЬ шт 219₽
В корзину
24-10-3502051 24-10-3502051 Кольцо уплотнительное
Фото Артикул Наименование Модель Ед. Наличие Цена интернет магазина
кольцо уплотнительное заднего тормозного цилиндра РТИ Волга  24-10-3502051 00000014948 кольцо уплотнительное заднего тормозного цилиндра РТИ Волга 24-10-3502051 Волга шт 9₽
В корзину
296563-П29 296563-П29 Пробка КГ3/8"
Фото Артикул Наименование Модель Ед. Наличие Цена интернет магазина
пробка КГ3/8" радиатора "Красная Этна" г.Н.Новгород Волга,Газель 296563-П29 00000014138 пробка КГ3/8" радиатора "Красная Этна" г.Н.Новгород Волга,Газель 296563-П29 ГАЗ шт 14₽
В корзину
3110-1301164 3110-1301164 Подушка крепления радиатора
Фото Артикул Наименование Модель Ед. Наличие Цена интернет магазина
подушка крепления радиатора системы охлаждения РТИ Волга,Газель 00000016911 подушка крепления радиатора системы охлаждения РТИ Волга,Газель Г-3110 шт 33₽
В корзину
33021-1303010-01 33021-1303010-01 Шланг радиатора подводящий
Фото Артикул Наименование Модель Ед. Наличие Цена интернет магазина
шланг радиатора системы охлаждения подводящий Газель ЗМЗ-402 "ВПТ" г.Волжский 00000016508 шланг радиатора системы охлаждения подводящий Газель ЗМЗ-402 "ВПТ" г.Волжский ГАЗЕЛЬ шт 207₽
В корзину
33021-1303018-10 33021-1303018-10 Труба
Фото Артикул Наименование Модель Ед. Наличие Цена интернет магазина
труба радиатора отводящая металлическая Н.Новгород Газель 00000019514 труба радиатора отводящая металлическая Н.Новгород Газель ГАЗЕЛЬ шт 125₽
В корзину
33021-1309011 33021-1309011 Кожух вентилятора
Фото Артикул Наименование Модель Ед. Наличие Цена интернет магазина
кожух вентилятора  Газель ЗМЗ-402 33021-1309011 00000058952 кожух вентилятора Газель ЗМЗ-402 33021-1309011 ГАЗЕЛЬ шт 241₽
В корзину
33021-1309011-10 33021-1309011-10 Кожух вентилятора
Фото Артикул Наименование Модель Ед. Наличие Цена интернет магазина
кожух вентилятора  Газель ЗМЗ-402 33021-1309011 00000058952 кожух вентилятора Газель ЗМЗ-402 33021-1309011 ГАЗЕЛЬ шт 241₽
В корзину
кожух вентилятора  Газель УМЗ-4215 33021-1309011-10 00000014024 кожух вентилятора Газель УМЗ-4215 33021-1309011-10 ГАЗЕЛЬ шт 287₽
В корзину
330242-1301010 330242-1301010 Радиатор двигателей 4063.1000400-20 И 560.1000400
Фото Артикул Наименование Модель Ед. Наличие Цена интернет магазина
радиатор 3-х рядный медный Газель (с 1998 г.в.) 3302-1301010-33 ООО "Оренбургский радиатор" г.Оренбург 00000017804 радиатор 3-х рядный медный Газель (с 1998 г.в.) 3302-1301010-33 ООО "Оренбургский радиатор" г.Оренбург ГАЗЕЛЬ шт 18305₽
В корзину
радиат.2р.ал.н/о GANZ 00000023654 радиат.2р.ал.н/о GANZ ГАЗЕЛЬ 4726₽
В корзину
радиатор 3 рядный алюминиевый Газель нового образца "LUZAR" 00000023656 радиатор 3 рядный алюминиевый Газель нового образца "LUZAR" ГАЗЕЛЬ шт 5546₽
В корзину
радиатор 3-х рядный медный Газель-Бизнес ГБ330242.1301.000-32 ООО "Оренбургский радиатор" г.Оренбург 00000023660 радиатор 3-х рядный медный Газель-Бизнес ГБ330242.1301.000-32 ООО "Оренбургский радиатор" г.Оренбург БИЗНЕС шт 18372₽
В корзину
радиатор 2-х рядный алюминевый Газель (с 1998 г.в.) "Пекар" г.С.Петербург 00000059541 радиатор 2-х рядный алюминевый Газель (с 1998 г.в.) "Пекар" г.С.Петербург ГАЗЕЛЬ шт 5186₽
Нет в наличии
радиат.3р.ал.н/о HOFE 00000059542 радиат.3р.ал.н/о HOFE ГАЗЕЛЬ шт 5442₽
Нет в наличии