Торговая марка
основана в 1994 году

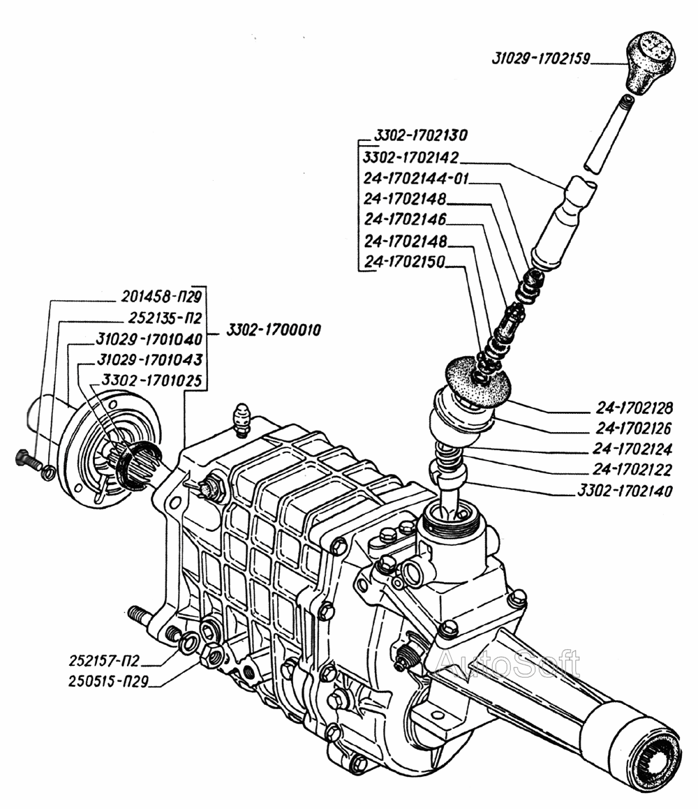
Коробка передач, рычаг переключения передач

Коробка передач, рычаг переключения передач
Метка Каталожный номер Наименование детали Наличие
31029-1701043 31029-1701043 Манжета 1,2-35х48-2
Фото Артикул Наименование Модель Ед. Наличие Цена интернет магазина
Сальник первичного вала КПП Волга, Газель "Corteco" Италия 00000018796 Сальник первичного вала КПП Волга, Газель "Corteco" Италия CORTEC шт 126₽
В корзину
манжета первичного вала 5-ти ступенчатой КПП Волга,Газель "ESPRA" Испания 00000018797 манжета первичного вала 5-ти ступенчатой КПП Волга,Газель "ESPRA" Испания ESPRA шт 184₽
В корзину
31029-1702159 31029-1702159 Рукоятка рычага переключения передач в сборе
Фото Артикул Наименование Модель Ед. Наличие Цена интернет магазина
рукоятка рычага переключения передач Волга,Газель Н.Новгород 00000018628 рукоятка рычага переключения передач Волга,Газель Н.Новгород ГАЗ шт 58₽
В корзину
3302-1702142 3302-1702142 Рычаг переключения передач - верхняя часть
Фото Артикул Наименование Модель Ед. Наличие Цена интернет магазина
рычаг переключения 5-ти ступенчатой коробки передач верхняя часть Газель 3302-1702142 00000027200 рычаг переключения 5-ти ступенчатой коробки передач верхняя часть Газель 3302-1702142 ГАЗЕЛЬ шт 498₽
В корзину