Торговая марка
основана в 1994 году

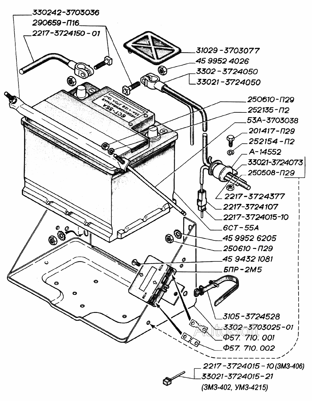
Батарея аккумуляторная, крепление батареи и проводов, блок предохранителей

Батарея аккумуляторная, крепление батареи и проводов, блок предохранителей
Метка Каталожный номер Наименование детали Наличие
3302-3703025-01 3302-3703025-01 Основание аккумуляторной батареи
Фото Артикул Наименование Модель Ед. Наличие Цена интернет магазина
Основание аккумуляторной батареи  Газель 00000016824 Основание аккумуляторной батареи Газель ГАЗЕЛЬ шт 525₽
В корзину
330242-3703036 330242-3703036 Планка крепления аккумуляторной батареи
Фото Артикул Наименование Модель Ед. Наличие Цена интернет магазина
Планка крепления аккумуляторной батареи Газель Н.Новгород 00000015141 Планка крепления аккумуляторной батареи Газель Н.Новгород ГАЗЕЛЬ компл 92₽
В корзину