Торговая марка
основана в 1994 году

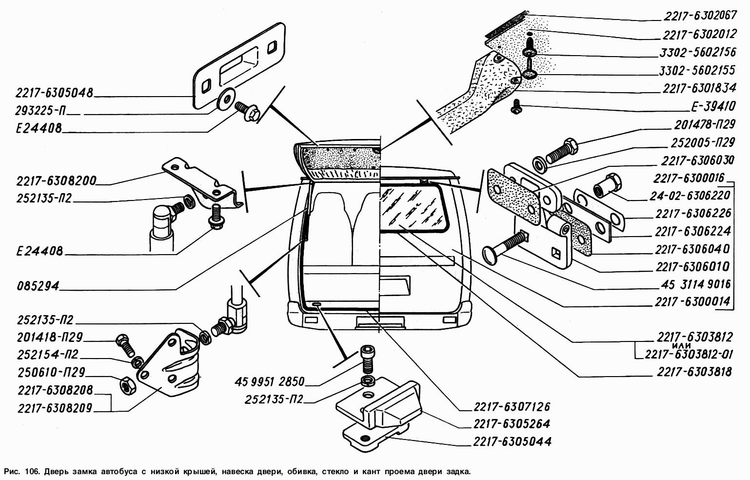
Дверь задка автобуса с низкой крышей, навеска двери, обивка, стекло и кант проема двери задка

Дверь задка автобуса с низкой крышей, навеска двери, обивка, стекло и кант проема двери задка
Метка Каталожный номер Наименование детали Наличие
201478-П29 201478-П29 Болт М8х1-6gх25
Фото Артикул Наименование Модель Ед. Наличие Цена интернет магазина
болт крепления шаровой опоры нижний  г.Белебей Волга Газ-31105 201478-П29 00000013147 болт крепления шаровой опоры нижний г.Белебей Волга Газ-31105 201478-П29 Волга шт 7₽
В корзину
2217-6306010 2217-6306010 Петля двери задка
Фото Артикул Наименование Модель Ед. Наличие Цена интернет магазина
петля зад.двери 00000059330 петля зад.двери Баргуз 1564₽
Нет в наличии
3302-5602155 3302-5602155 Пистон крепления обивки
Фото Артикул Наименование Модель Ед. Наличие Цена интернет магазина
пистон обивки в сборе  Газель 00000016631 пистон обивки в сборе Газель ГАЗЕЛЬ шт 3₽
В корзину
85294 85294 Упор двери задка
Фото Артикул Наименование Модель Ед. Наличие Цена интернет магазина
упор двери задка Баргузин 11.6308010-10 Беларусь 00000019213 упор двери задка Баргузин 11.6308010-10 Беларусь Баргуз шт 575₽
В корзину