Торговая марка
основана в 1994 году

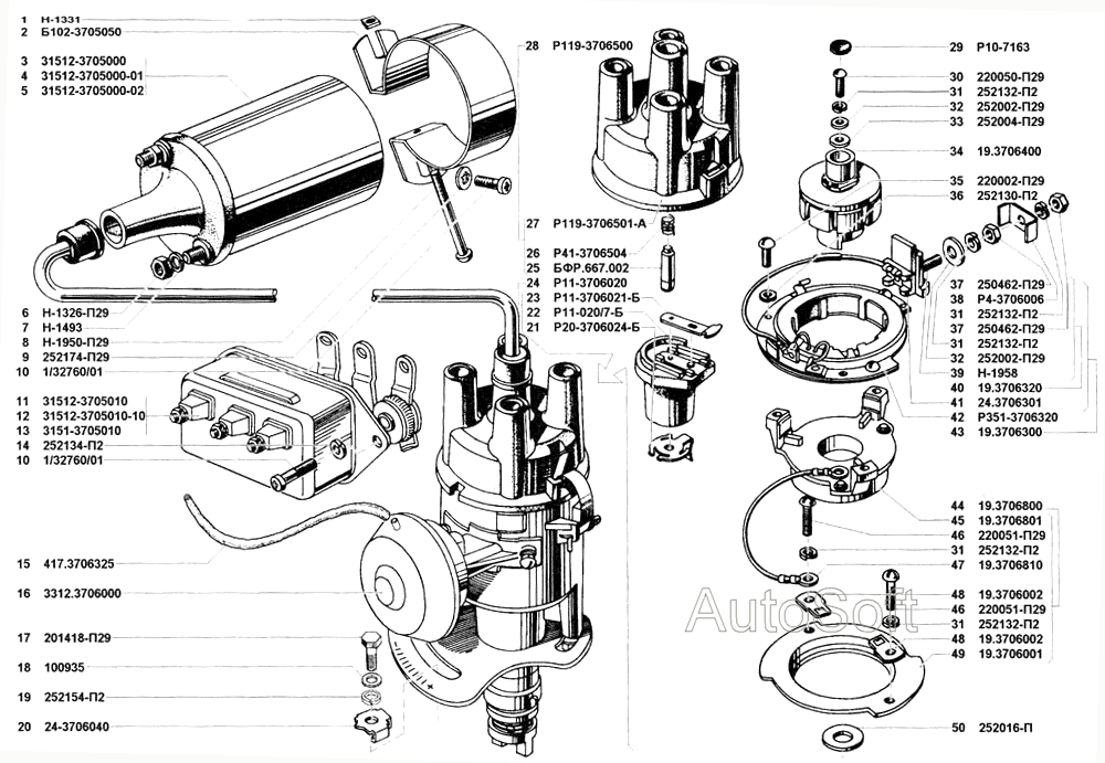
Катушка и распределитель зажигания

Катушка  и распределитель зажигания