Торговая марка
основана в 1994 году

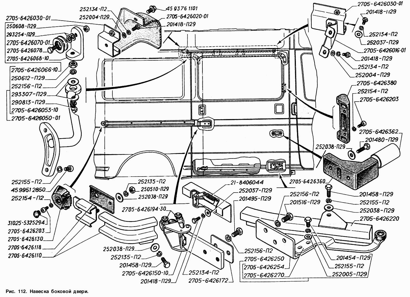
Навеска боковой двери

Навеска боковой двери
Метка Каталожный номер Наименование детали Наличие
2705-6426066-10 2705-6426066-10 Каретка верхнего ролика
Фото Артикул Наименование Модель Ед. Наличие Цена интернет магазина
каретка верхнего ролика сдвижной двери  Газель Газ-2705,3221  2705-6426066-10 00000018572 каретка верхнего ролика сдвижной двери Газель Газ-2705,3221 2705-6426066-10 ГАЗЕЛЬ шт 192₽
В корзину
2705-6426150-10 2705-6426150-10 Механизм открывания двери средней направляющей
Фото Артикул Наименование Модель Ед. Наличие Цена интернет магазина
механизм открывания двери средней направляющей  Газель Газ-2705 2705-6426150 00000018573 механизм открывания двери средней направляющей Газель Газ-2705 2705-6426150 ГАЗЕЛЬ шт 230₽
Нет в наличии
механизм открывания сдвижной двери средней направляющей в сборе  Газель Газ-2705,3221,Соболь 00000018591 механизм открывания сдвижной двери средней направляющей в сборе Газель Газ-2705,3221,Соболь ГАЗЕЛЬ шт 555₽
Нет в наличии
2705-6426194-30 2705-6426194-30 Ролик направляющий
Фото Артикул Наименование Модель Ед. Наличие Цена интернет магазина
ролик механизма открывания двери средней направляющей  Газель Газ-2705,3221 2705-6426194-30 00000018574 ролик механизма открывания двери средней направляющей Газель Газ-2705,3221 2705-6426194-30 ГАЗЕЛЬ шт 23₽
В корзину
2705-6426270 2705-6426270 Рычаг механизма на двери
Фото Артикул Наименование Модель Ед. Наличие Цена интернет магазина
рычаг механизма сдвижной двери нижний Газель Газ-2705,3221 2705-6426250 Н.Новгород 00000059646 рычаг механизма сдвижной двери нижний Газель Газ-2705,3221 2705-6426250 Н.Новгород Г-2705 шт 318₽
Нет в наличии
31025-5325294 31025-5325294 Заглушка
Фото Артикул Наименование Модель Ед. Наличие Цена интернет магазина
заглушка зеркала заднего вида нового образца "Автокомпонент" г.Н.Новгород Газель 00000014118 заглушка зеркала заднего вида нового образца "Автокомпонент" г.Н.Новгород Газель ГАЗЕЛЬ шт 12₽
В корзину
заглушка зеркала 00000058961 заглушка зеркала ГАЗ шт 6₽
Нет в наличии