Торговая марка
основана в 1994 году

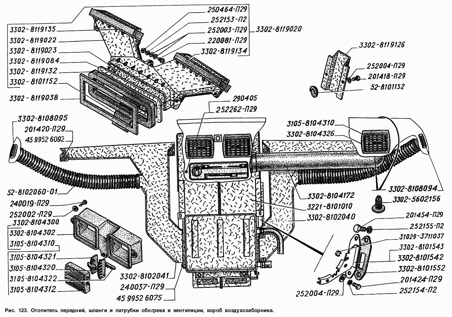
Отопитель передний, шланги и патрубки обогрева и вентиляции, короб воздухозаборника

Отопитель передний, шланги и патрубки обогрева и вентиляции, короб воздухозаборника
Метка Каталожный номер Наименование детали Наличие
31029-3711037 31029-3711037 Гайкодержатель с гайкой
Фото Артикул Наименование Модель Ед. Наличие Цена интернет магазина
гайкодержатель с гайкой 00000019016 гайкодержатель с гайкой шт 17₽
В корзину
3302-8104302 3302-8104302 Патрубок вентиляции центральный
Фото Артикул Наименование Модель Ед. Наличие Цена интернет магазина
дефлектор центр. 00000058938 дефлектор центр. ГАЗЕЛЬ 112₽
Нет в наличии
3302-8119020 3302-8119020 Короб воздухозаборника в сборе
Фото Артикул Наименование Модель Ед. Наличие Цена интернет магазина
короб воздухозаборника в сборе  Газель Газ-3302,2705,3221 3302-8119020 00000013366 короб воздухозаборника в сборе Газель Газ-3302,2705,3221 3302-8119020 ГАЗЕЛЬ шт 518₽
Нет в наличии