Торговая марка
основана в 1994 году

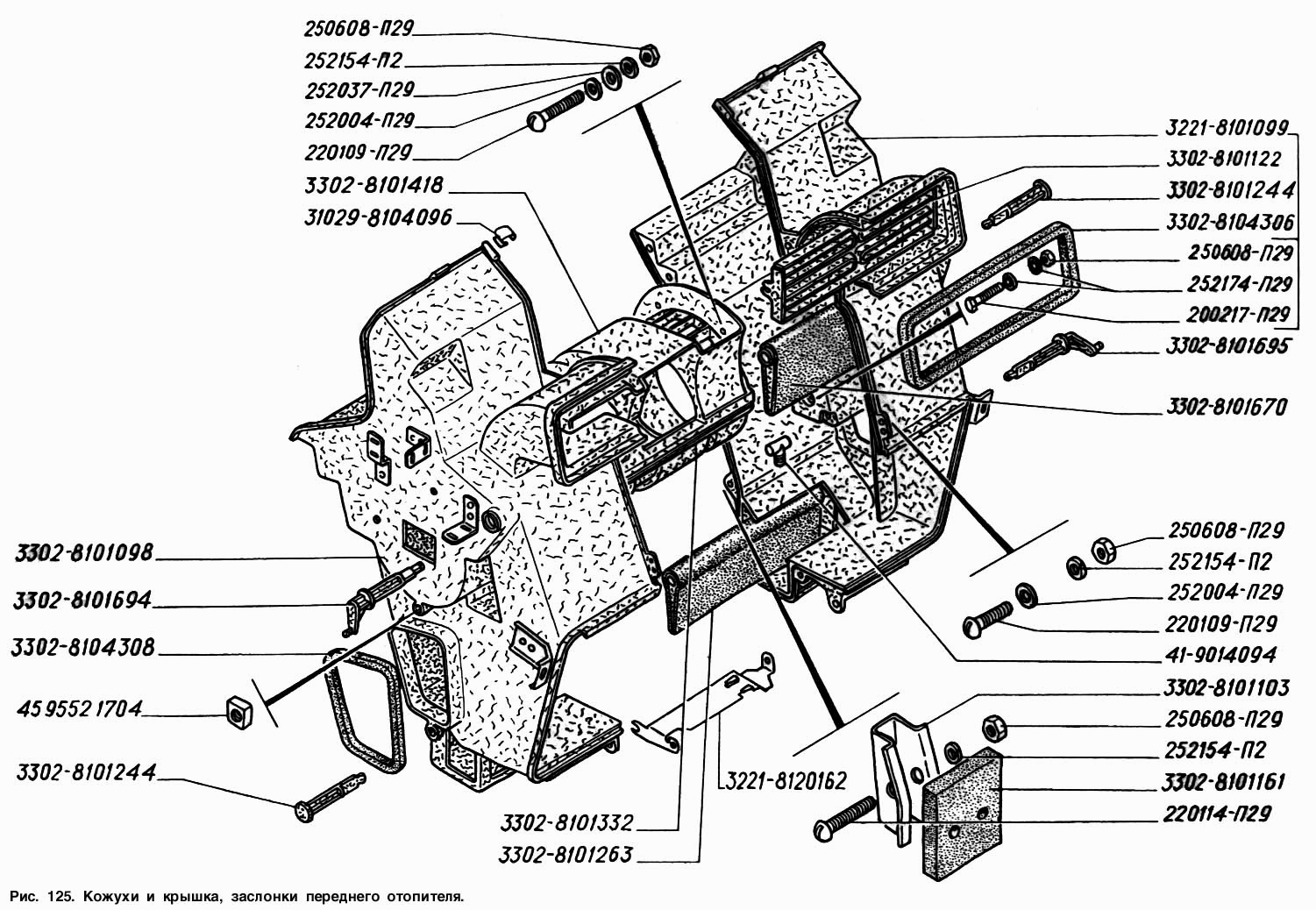
Кожух и крышка, заслонки переднего отопителя

Кожух и крышка, заслонки переднего отопителя