Торговая марка
основана в 1994 году

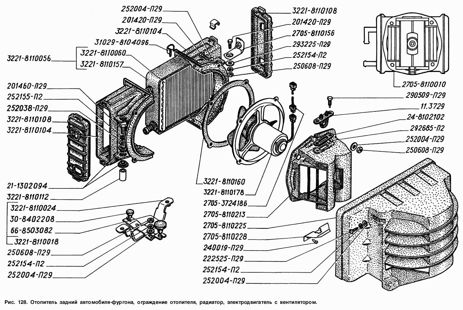
Отопитель задний автомобиля-фургона, ограждение отопителя, радиатор, электродвигатель с вентилятором

Отопитель задний автомобиля-фургона, ограждение отопителя, радиатор, электродвигатель с вентилятором
Метка Каталожный номер Наименование детали Наличие
21-1302094 21-1302094 Прокладка крепления кронштейна
Фото Артикул Наименование Модель Ед. Наличие Цена интернет магазина
втулка крепления резонатора в сборе Волга Газ-2410,31029,3110 21-1302094 "РТИ" г.Ярославль 00000013413 втулка крепления резонатора в сборе Волга Газ-2410,31029,3110 21-1302094 "РТИ" г.Ярославль Волга шт 29₽
В корзину
66-8503082 66-8503082 Буфер
Фото Артикул Наименование Модель Ед. Наличие Цена интернет магазина
буфер заднего борта "СЗРТ" Газель Газ-3302,33023 66-8503082 00000022893 буфер заднего борта "СЗРТ" Газель Газ-3302,33023 66-8503082 ГАЗЕЛЬ шт 46₽
В корзину