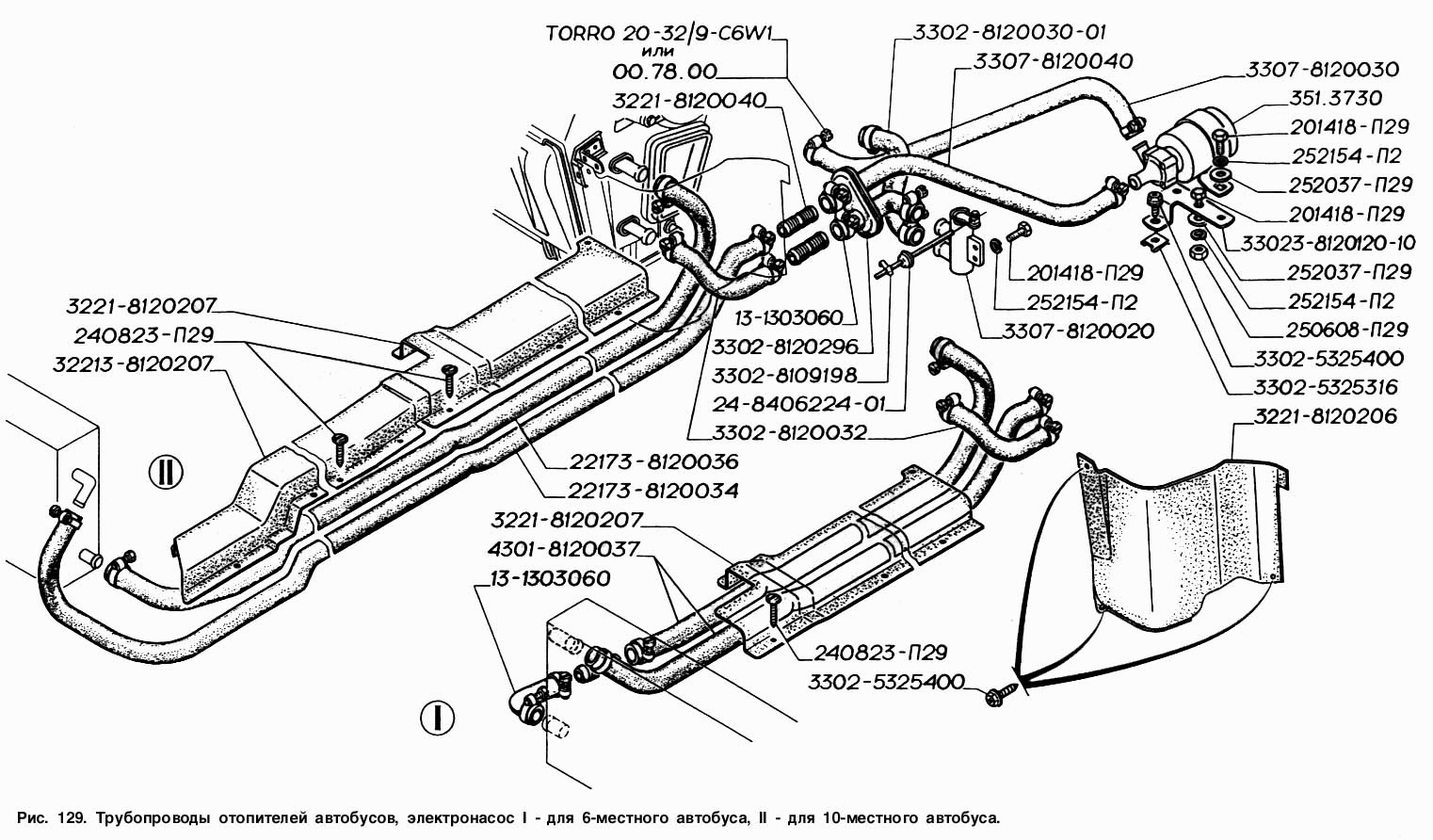
Трубопроводы отопителей автобусов, электронасос I - для 6-местного автобуса. II -для 10-местного автобуса
| Метка | Каталожный номер | Наименование детали | Наличие | |||||||||||||||||||||||||||||||||
|---|---|---|---|---|---|---|---|---|---|---|---|---|---|---|---|---|---|---|---|---|---|---|---|---|---|---|---|---|---|---|---|---|---|---|---|---|
| 240823-П29 | 240823-П29 | Винт 4х30 | ||||||||||||||||||||||||||||||||||
|
||||||||||||||||||||||||||||||||||||
| 240823-П29 | 240823-П29 | Винт 4х30 | ||||||||||||||||||||||||||||||||||
|
||||||||||||||||||||||||||||||||||||
| 3221-8120040 | 3221-8120040 | Штуцер | ||||||||||||||||||||||||||||||||||
|
||||||||||||||||||||||||||||||||||||
| 3221-8120040 | 3221-8120040 | Штуцер | ||||||||||||||||||||||||||||||||||
|
||||||||||||||||||||||||||||||||||||
| 3221-8120040 | 3221-8120040 | Штуцер | ||||||||||||||||||||||||||||||||||
|
||||||||||||||||||||||||||||||||||||
| 3302-8120032 | 3302-8120032 | Шланг подводящий к переднему отопителю | ||||||||||||||||||||||||||||||||||
|
||||||||||||||||||||||||||||||||||||
| 3307-8120020 | 3307-8120020 | Кран отопителя в сборе | ||||||||||||||||||||||||||||||||||
|
||||||||||||||||||||||||||||||||||||
| 351.3730 | 351.3730 | Электронасос (351.3730010) | ||||||||||||||||||||||||||||||||||
|
||||||||||||||||||||||||||||||||||||

