Торговая марка
основана в 1994 году

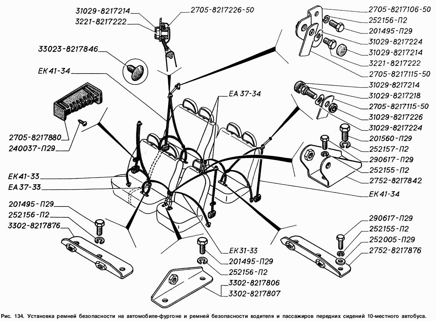
Установка ремней безопасности на автомобиле-фургоне и ремней безопасности водителя и пассажиров передних сидений 10-местного авт

Установка ремней безопасности на автомобиле-фургоне и ремней безопасности водителя и пассажиров передних сидений 10-местного авт