Торговая марка
основана в 1994 году

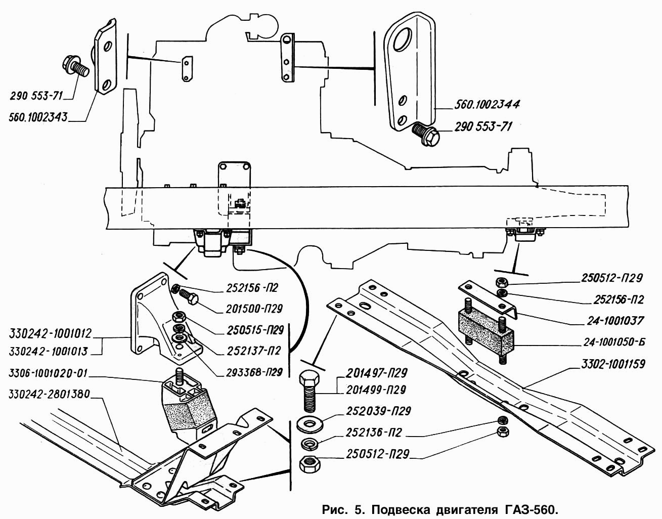
Подвеска двигателя ГАЗ-560

Подвеска двигателя ГАЗ-560
Метка Каталожный номер Наименование детали Наличие
24-1001050-Б 24-1001050-Б Подушка опоры двигателя задняя
Фото Артикул Наименование Модель Ед. Наличие Цена интернет магазина
подушка опоры двигателя задняя БРТ Волга,Газель 00000016906 подушка опоры двигателя задняя БРТ Волга,Газель Г-24 шт 380₽
В корзину
24-1001050-Б 24-1001050-Б Подушка опоры двигателя задняя
Фото Артикул Наименование Модель Ед. Наличие Цена интернет магазина
подушка опоры двигателя задняя БРТ Волга,Газель 00000016906 подушка опоры двигателя задняя БРТ Волга,Газель Г-24 шт 380₽
В корзину
252039-П29 252039-П29 Шайба 10 ОСТ 37.001.144-96
Фото Артикул Наименование Модель Ед. Наличие Цена интернет магазина
шайба 10х30 БелЗАН-САК 252039-П29 00000059865 шайба 10х30 БелЗАН-САК 252039-П29 шт 2₽
Нет в наличии
3302-1001159 3302-1001159 Поперечина задней опоры двигателя
Фото Артикул Наименование Модель Ед. Наличие Цена интернет магазина
траверса КПП гол. 00000059752 траверса КПП гол. ГАЗЕЛЬ 1140₽
Нет в наличии
3302-1001159 3302-1001159 Поперечина задней опоры двигателя
Фото Артикул Наименование Модель Ед. Наличие Цена интернет магазина
траверса КПП гол. 00000059752 траверса КПП гол. ГАЗЕЛЬ 1140₽
Нет в наличии
330242-2801380 330242-2801380 Поперечина передней подвески двигателя
Фото Артикул Наименование Модель Ед. Наличие Цена интернет магазина
поперечина передней подвески двигателя  Газель Газ-560 330242-2801380 00000019466 поперечина передней подвески двигателя Газель Газ-560 330242-2801380 Г-560 шт 2300₽
В корзину