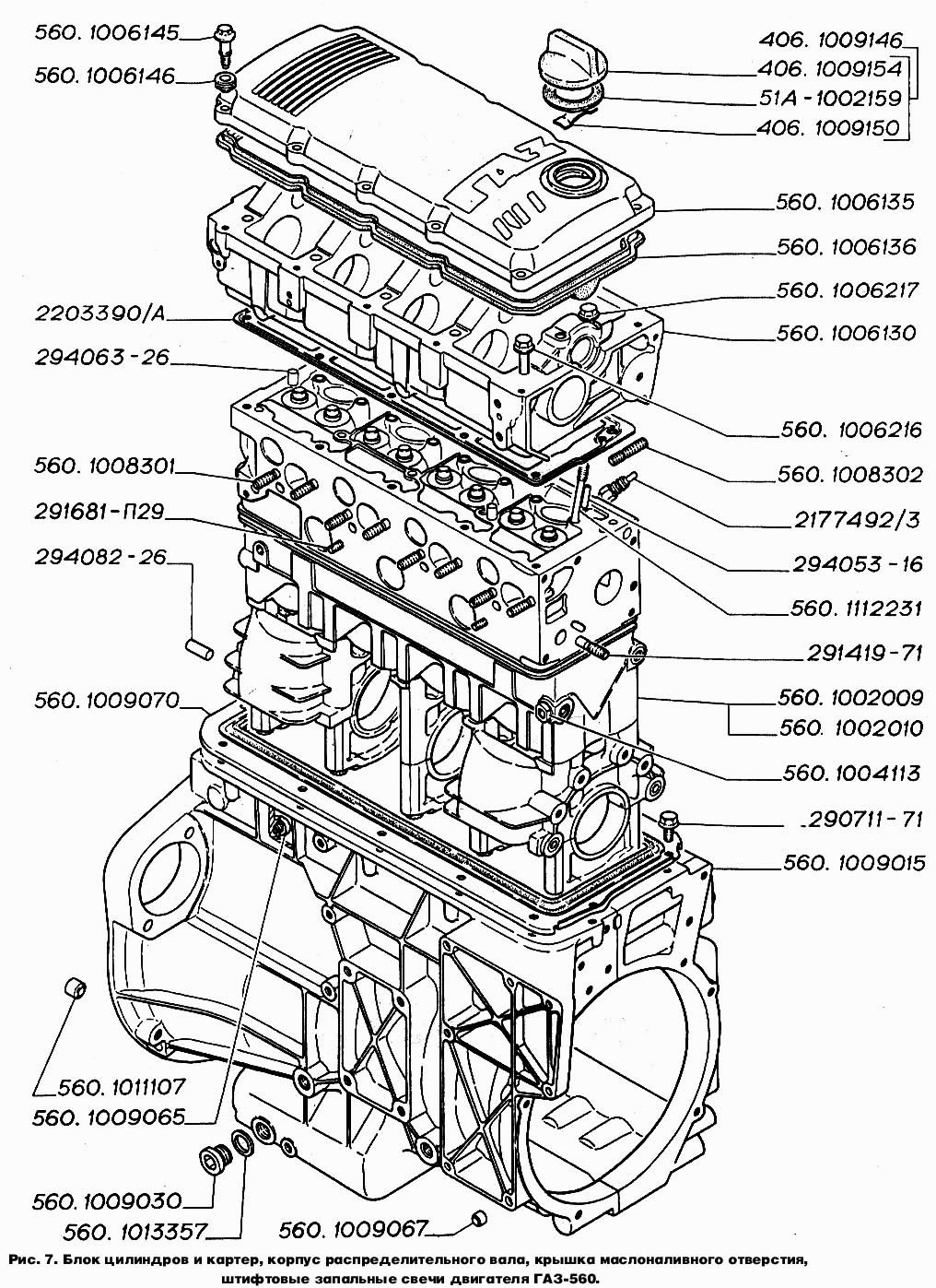
Блок цилиндров и картер, корпус распределительного вала, крышка маслоналивного отверстия, штифтовые запальные свечи двигателя ГА
| Метка | Каталожный номер | Наименование детали | Наличие | |||||||||||||||||
|---|---|---|---|---|---|---|---|---|---|---|---|---|---|---|---|---|---|---|---|---|
| 51А-1002159 | 51А-1002159 | Прокладка крышки | ||||||||||||||||||
|
||||||||||||||||||||
| 560.1006136 | 560.1006136 | Прокладка крышки корпуса распределительного вала | ||||||||||||||||||
