Торговая марка
основана в 1994 году

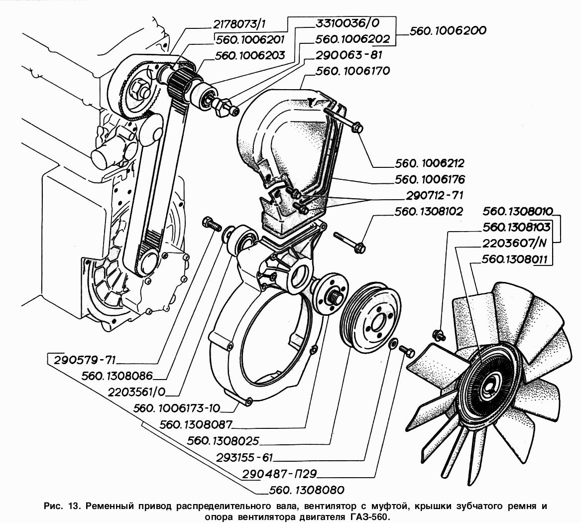
Ременный привод распределительного вала, вентилятор с муфтой, крышки зубчатого ремня и опора вентилятора двигателя ГАЗ-560

Ременный привод распределительного вала, вентилятор с муфтой, крышки зубчатого ремня и опора вентилятора двигателя ГАЗ-560
Метка Каталожный номер Наименование детали Наличие
2203561/0 2203561/0 Подшипник вентилятора (560.1308013ДС)
Фото Артикул Наименование Модель Ед. Наличие Цена интернет магазина
подшипник привода вентилятора Г-560 CRAFT Штаер 00000053295 подшипник привода вентилятора Г-560 CRAFT Штаер Г-560 шт 805₽
Нет в наличии
560.1006200 560.1006200 Ролик натяжной зубчатого ремня (2178548/4)
Фото Артикул Наименование Модель Ед. Наличие Цена интернет магазина
ролик натяжной ГРМ 00000059650 ролик натяжной ГРМ Г-560 2875₽
Нет в наличии