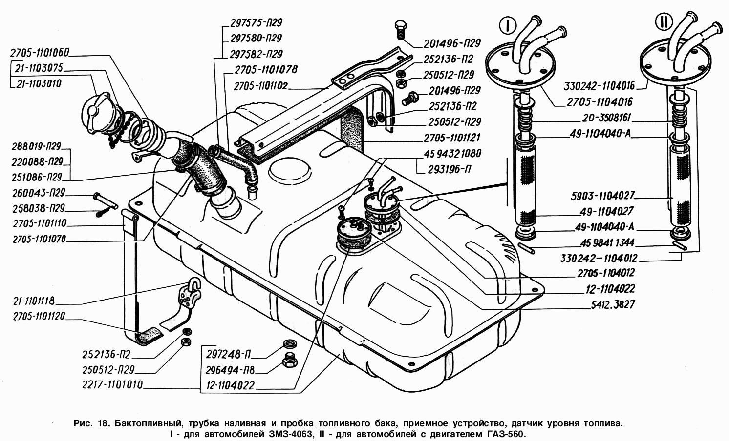
Бак топливный, труба наливная и пробка топливного бака, приемное устройство, датчик уровня топлива: I - для автомобилей с двигат
| Метка | Каталожный номер | Наименование детали | Наличие | |||||||||||||||||||||||||
|---|---|---|---|---|---|---|---|---|---|---|---|---|---|---|---|---|---|---|---|---|---|---|---|---|---|---|---|---|
| 12-1104022 | 12-1104022 | Прокладка датчика и фланца | ||||||||||||||||||||||||||
|
||||||||||||||||||||||||||||
| 12-1104022 | 12-1104022 | Прокладка датчика и фланца | ||||||||||||||||||||||||||
|
||||||||||||||||||||||||||||
| 20-3508161 | 20-3508161 | Пружина | ||||||||||||||||||||||||||
|
||||||||||||||||||||||||||||
| 21-1103010 | 21-1103010 | Пробка в сборе | ||||||||||||||||||||||||||
|
||||||||||||||||||||||||||||
| 2705-1101070 | 2705-1101070 | Шланг наливной трубы | ||||||||||||||||||||||||||
|
||||||||||||||||||||||||||||
| 2705-1101102 | 2705-1101102 | Кронштейн крепления топливного бака | ||||||||||||||||||||||||||
|
||||||||||||||||||||||||||||
| 2705-1104012 | 2705-1104012 | Фланец приемного устройства с трубками и фильтром | ||||||||||||||||||||||||||
|
||||||||||||||||||||||||||||
| 296494-П8 | 296494-П8 | Пробка М18х1,5х12 | ||||||||||||||||||||||||||
|
||||||||||||||||||||||||||||
