Торговая марка
основана в 1994 году

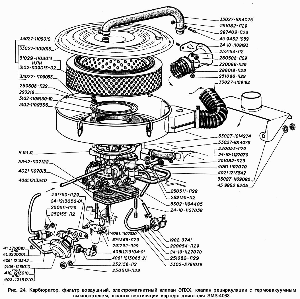
Карбюратор, фильтр воздушный, электромагнитный клапан ЭПХХ, клапан рециркуляции с термовакуумным выключателем, шланги вентиляции

Карбюратор, фильтр воздушный, электромагнитный клапан ЭПХХ, клапан рециркуляции с термовакуумным выключателем, шланги вентиляции
Метка Каталожный номер Наименование детали Наличие
250511-П29 250511-П29 Гайка М8х1-6Н ОСТ 37.001.124-93
Фото Артикул Наименование Модель Ед. Наличие Цена интернет магазина
Гайка М8*1,0 БелЗАН-САК. 00000013565 Гайка М8*1,0 БелЗАН-САК. шт 2₽
В корзину
250511-П29 250511-П29 Гайка М8х1-6Н ОСТ 37.001.124-93
Фото Артикул Наименование Модель Ед. Наличие Цена интернет магазина
Гайка М8*1,0 БелЗАН-САК. 00000013565 Гайка М8*1,0 БелЗАН-САК. шт 2₽
В корзину
3102-1109336 3102-1109336 Втулка шпильки
Фото Артикул Наименование Модель Ед. Наличие Цена интернет магазина
втулка воздушного фильтра 00000058875 втулка воздушного фильтра шт 2₽
Нет в наличии
33027-1109092 33027-1109092 Экран подогрева воздуха
Фото Артикул Наименование Модель Ед. Наличие Цена интернет магазина
воздухозаборник 00000051725 воздухозаборник Г-406 263₽
Нет в наличии
4021.1107015 4021.1107015 Прокладка между карбюратором и впускной трубой
Фото Артикул Наименование Модель Ед. Наличие Цена интернет магазина
прокладка между карбюратором и впускной трубой "Фритекс" г.Ярославль Волга,Газель ЗМЗ-402,4063 00000017521 прокладка между карбюратором и впускной трубой "Фритекс" г.Ярославль Волга,Газель ЗМЗ-402,4063 ГАЗ шт 33₽
В корзину
4021.1213342 4021.1213342 Шланг резиновый
Фото Артикул Наименование Модель Ед. Наличие Цена интернет магазина
Шланг карбюратора Газ "СЗРТ" г.Саранск 00000020685 Шланг карбюратора Газ "СЗРТ" г.Саранск ГАЗ шт 75₽
В корзину
4061.1107020 4061.1107020 Прокладка карбюратора термошумоизоляционная
Фото Артикул Наименование Модель Ед. Наличие Цена интернет магазина
проставка карбюратора К-151Д Газель Пекар С.Питербург 00000017654 проставка карбюратора К-151Д Газель Пекар С.Питербург К-151Д шт 98₽
В корзину
4061.1213065-21 4061.1213065-21 Трубка рециркуляции
Фото Артикул Наименование Модель Ед. Наличие Цена интернет магазина
трубка СРОГ Газель ЗМЗ-406 4061.1213065-21г.Москва 00000019680 трубка СРОГ Газель ЗМЗ-406 4061.1213065-21г.Москва ГАЗЕЛЬ шт 704₽
В корзину
4061.1213104-01 4061.1213104-01 Штуцер угловой
Фото Артикул Наименование Модель Ед. Наличие Цена интернет магазина
штуцер угловой  Г-406 Газ 00000020835 штуцер угловой Г-406 Газ ГАЗЕЛЬ шт 69₽
Нет в наличии