Торговая марка
основана в 1994 году

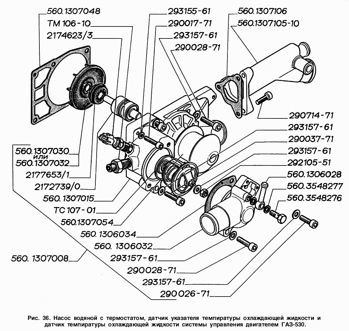
Насос водяной с термостатом, датчик указателя температуры охлаждающей жидкости и датчик температуры охлаждающей жидкости системы

Насос водяной с термостатом, датчик указателя температуры охлаждающей жидкости и датчик температуры охлаждающей жидкости системы