Торговая марка
основана в 1994 году

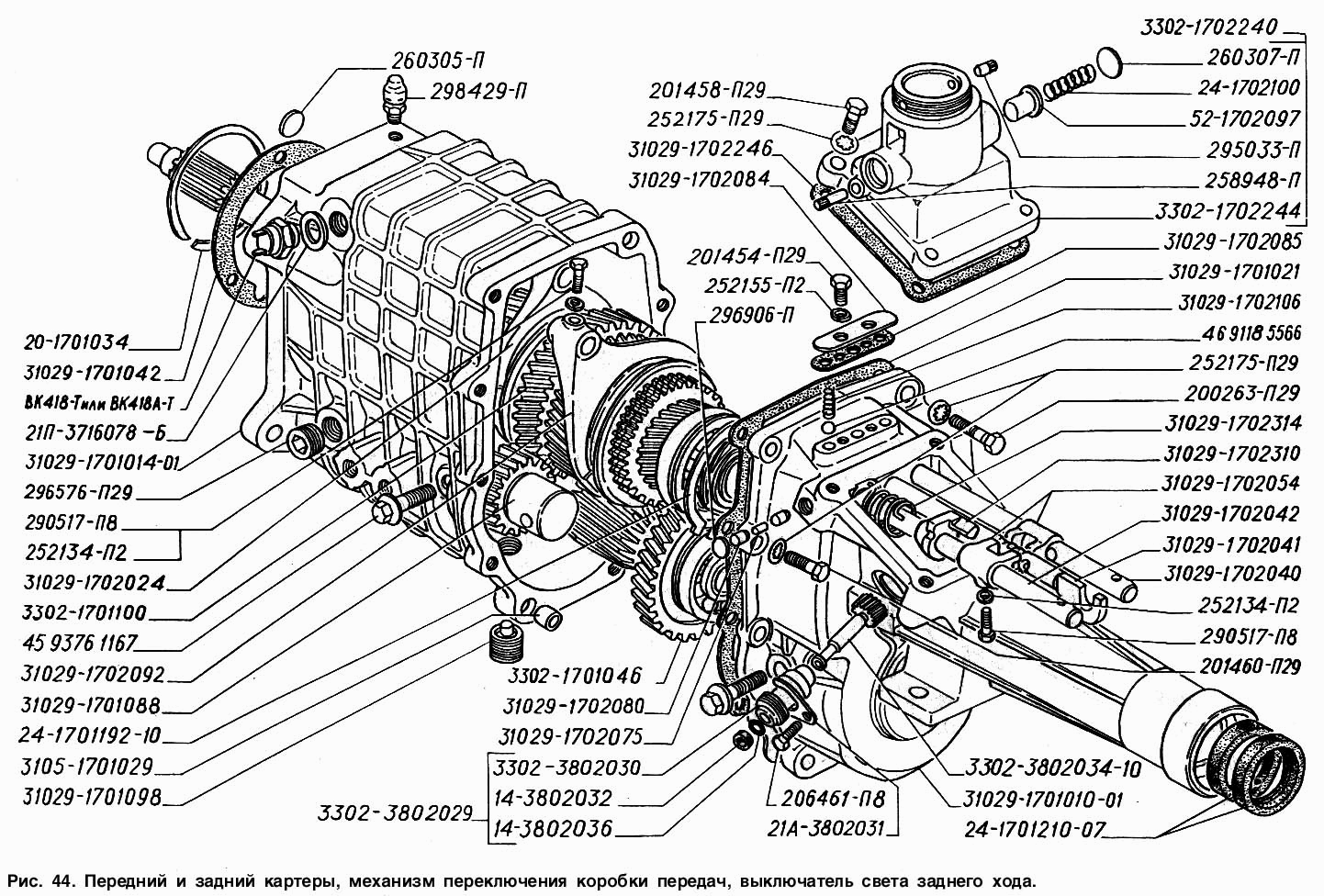
Передний и задний картеры, механизм переключения коробки передач, выключатель света заднего хода

Передний и задний картеры, механизм переключения коробки передач, выключатель света заднего хода
Метка Каталожный номер Наименование детали Наличие
20-1701034 20-1701034 Кольцо стопорное подшипника
Фото Артикул Наименование Модель Ед. Наличие Цена интернет магазина
кольцо стопорное подшипника первичного вала 5-ти ступенчатой КПП  Волга,Газель 20-1701034 00000036435 кольцо стопорное подшипника первичного вала 5-ти ступенчатой КПП Волга,Газель 20-1701034 Волга шт 9₽
В корзину
кольцо стоп.208 подш 00000060077 кольцо стоп.208 подш УАЗ 22₽
Нет в наличии
24-1701210-07 24-1701210-07 Манжета 1,2-38х56-2
Фото Артикул Наименование Модель Ед. Наличие Цена интернет магазина
манжета заднего картера 5-ти ступенчатой КПП Волга,Газель "БАД" г.Балаково 00000061593 манжета заднего картера 5-ти ступенчатой КПП Волга,Газель "БАД" г.Балаково ГАЗ шт 58₽
В корзину
Сальник вторичного вала КПП Волга, Газель "Corteco" Италия 00000018798 Сальник вторичного вала КПП Волга, Газель "Corteco" Италия ГАЗ шт 117₽
В корзину
Сальник вторичного вала КПП Волга, Газель "РТИ" г.Балаково 00000018801 Сальник вторичного вала КПП Волга, Газель "РТИ" г.Балаково ГАЗ шт 69₽
В корзину
Сальник вторичного вала КПП Газель Бизнес 00000054035 Сальник вторичного вала КПП Газель Бизнес Бизнес шт 215₽
Нет в наличии
260305-П 260305-П Заглушка 16 ОСТ 37.001.173-82
Фото Артикул Наименование Модель Ед. Наличие Цена интернет магазина
заглушка 16 ОСТ 37.001.173-82 переднего картера 5-ти ступенчатой КПП  Волга,Газель 260305-П 00000014124 заглушка 16 ОСТ 37.001.173-82 переднего картера 5-ти ступенчатой КПП Волга,Газель 260305-П 5-ст шт 2₽
В корзину
260307-П 260307-П Заглушка 20
Фото Артикул Наименование Модель Ед. Наличие Цена интернет магазина
заглушка крышки КПП 00000058963 заглушка крышки КПП 5-ст 5₽
Нет в наличии
296576-П29 296576-П29 Пробка КГ1/2"
Фото Артикул Наименование Модель Ед. Наличие Цена интернет магазина
пробка КГ1/2" картера КПП  Волга,Газель 00000017332 пробка КГ1/2" картера КПП Волга,Газель Волга шт 26₽
В корзину
31029-1701098 31029-1701098 Пробка магнитная
Фото Артикул Наименование Модель Ед. Наличие Цена интернет магазина
пробка картера КПП магнитная  Волга,Газель 00000017333 пробка картера КПП магнитная Волга,Газель Волга шт 76₽
В корзину
31029-1702080 31029-1702080 Плунжер стопорный штоков
Фото Артикул Наименование Модель Ед. Наличие Цена интернет магазина
Плунжер стопорный штоков 5стКПП  Волга,Газель 00000016751 Плунжер стопорный штоков 5стКПП Волга,Газель 5стКПП шт 69₽
В корзину
31029-1702106 31029-1702106 Пружина фиксатора передач
Фото Артикул Наименование Модель Ед. Наличие Цена интернет магазина
пружина фиксатора передач 5-ти ступенчатой КПП  Волга,Газель 00000017700 пружина фиксатора передач 5-ти ступенчатой КПП Волга,Газель 5стКПП шт 17₽
Нет в наличии
3302-1702240 3302-1702240 Корпус рычага переключения передач в сборе
Фото Артикул Наименование Модель Ед. Наличие Цена интернет магазина
корпус рычага переключения передач в сборе Газель 3302-1702240 00000015382 корпус рычага переключения передач в сборе Газель 3302-1702240 ГАЗЕЛЬ шт 805₽
Нет в наличии
3302-3802030 3302-3802030 Штуцер гибкого вала привода спидометра
Фото Артикул Наименование Модель Ед. Наличие Цена интернет магазина
привод троса спидометра 5-ти ступенчатой КПП в сборе  Газель 3302-3802030 00000017295 привод троса спидометра 5-ти ступенчатой КПП в сборе Газель 3302-3802030 ГАЗЕЛЬ шт 805₽
В корзину
46 9118 5566 46 9118 5566 Шарик Б7,938-70
Фото Артикул Наименование Модель Ед. Наличие Цена интернет магазина
шарик Б7,938-70 (фиксации передач 5стКПП) Газель,ВОЛГА  00000024057 шарик Б7,938-70 (фиксации передач 5стКПП) Газель,ВОЛГА 5стКПП шт 7₽
В корзину