Торговая марка
основана в 1994 году

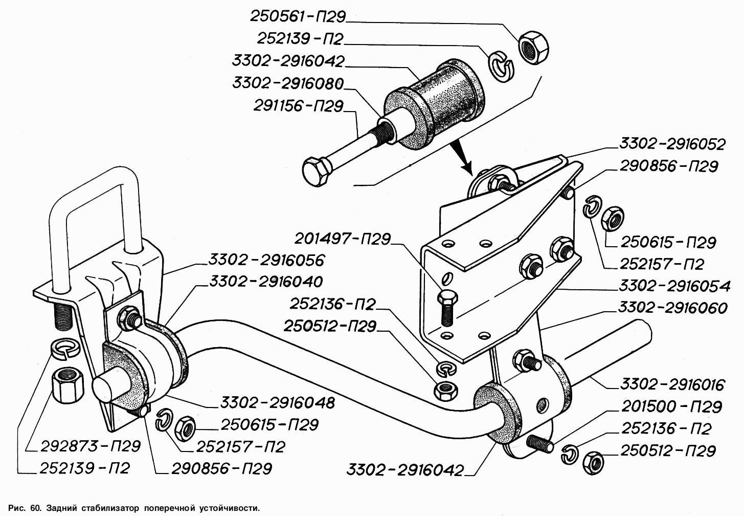
Задний стабилизатор поперечной устойчивости

Задний стабилизатор поперечной устойчивости
Метка Каталожный номер Наименование детали Наличие
252139-П2 252139-П2 Шайба 16.ОТ ОСТ 37.001.115-75
Фото Артикул Наименование Модель Ед. Наличие Цена интернет магазина
шайба пружинная БелЗАН-САК 16Т 00000013745 шайба пружинная БелЗАН-САК 16Т шт 4₽
В корзину
252139-П2 252139-П2 Шайба 16.ОТ ОСТ 37.001.115-75
Фото Артикул Наименование Модель Ед. Наличие Цена интернет магазина
шайба пружинная БелЗАН-САК 16Т 00000013745 шайба пружинная БелЗАН-САК 16Т шт 4₽
В корзину
291156-П29 291156-П29 Болт М16х1,5-6gх115
Фото Артикул Наименование Модель Ед. Наличие Цена интернет магазина
болт М16х1,5-6gх115 крепления рессоры г.Белебей Газель Газ-3302,2705,3221 291156-П29 00000013123 болт М16х1,5-6gх115 крепления рессоры г.Белебей Газель Газ-3302,2705,3221 291156-П29 ГАЗЕЛЬ шт 108₽
В корзину
292873-П29 292873-П29 Гайка М16х1,5-4Н6Н
Фото Артикул Наименование Модель Ед. Наличие Цена интернет магазина
гайка М16х1,5-4Н6Н крепления стремянки "Красная Этна" г.Н.Новгород Газель,Соболь,Баргузин 292873-П29 00000013580 гайка М16х1,5-4Н6Н крепления стремянки "Красная Этна" г.Н.Новгород Газель,Соболь,Баргузин 292873-П29 ГАЗЕЛЬ шт 18₽
В корзину
3302-2916016 3302-2916016 Штанга стабилизатора задней подвески
Фото Артикул Наименование Модель Ед. Наличие Цена интернет магазина
штанга стабилизатора задней подвески в сборе (нового образца) Газель,Соболь 00000019082 штанга стабилизатора задней подвески в сборе (нового образца) Газель,Соболь ГАЗЕЛЬ шт 2300₽
Нет в наличии
3302-2916048 3302-2916048 Обойма подушки штанги
Фото Артикул Наименование Модель Ед. Наличие Цена интернет магазина
обойма подушки штанги заднего стабилизатора  Газель,Соболь 3302-2916048 00000059120 обойма подушки штанги заднего стабилизатора Газель,Соболь 3302-2916048 ГАЗЕЛЬ шт 59₽
Нет в наличии
3302-2916056 3302-2916056 Кронштейн стабилизатора нижний
Фото Артикул Наименование Модель Ед. Наличие Цена интернет магазина
Кронштейн стабилизатора нижний усиленный Газель,Соболь Н.Новгород 00000015222 Кронштейн стабилизатора нижний усиленный Газель,Соболь Н.Новгород Газель шт 403₽
В корзину
3302-2916060 3302-2916060 Щека серьги стабилизатора
Фото Артикул Наименование Модель Ед. Наличие Цена интернет магазина
щека серьги стабилизатора  Газель,СОБОЛЬ 00000020851 щека серьги стабилизатора Газель,СОБОЛЬ ГАЗЕЛЬ шт 115₽
В корзину