Торговая марка
основана в 1994 году

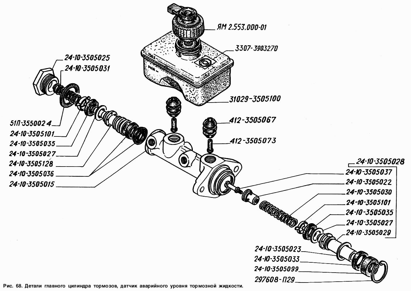
Детали главного цилиндра тормозов, датчик аварийного уровня тормозной жидкости

Детали главного цилиндра тормозов, датчик аварийного уровня тормозной жидкости
Метка Каталожный номер Наименование детали Наличие
31029-3505100 31029-3505100 Бачок главного цилиндра тормозов
Фото Артикул Наименование Модель Ед. Наличие Цена интернет магазина
бачок главного цилиндра тормозов "Карболит" Волга Газ-2410,31029,3110,31105 31029-3505100 00000058812 бачок главного цилиндра тормозов "Карболит" Волга Газ-2410,31029,3110,31105 31029-3505100 ГАЗ шт 150₽
Нет в наличии
412-3505067 412-3505067 Втулка соединительная бачка главного цилиндра тормоза
Фото Артикул Наименование Модель Ед. Наличие Цена интернет магазина
втулка соединительная бачка главного цилиндра тормоза Волга,Газель 412-3505067 "Волжскрезинотехника"-VRT 00000013389 втулка соединительная бачка главного цилиндра тормоза Волга,Газель 412-3505067 "Волжскрезинотехника"-VRT ГАЗ шт 29₽
В корзину