Торговая марка
основана в 1994 году

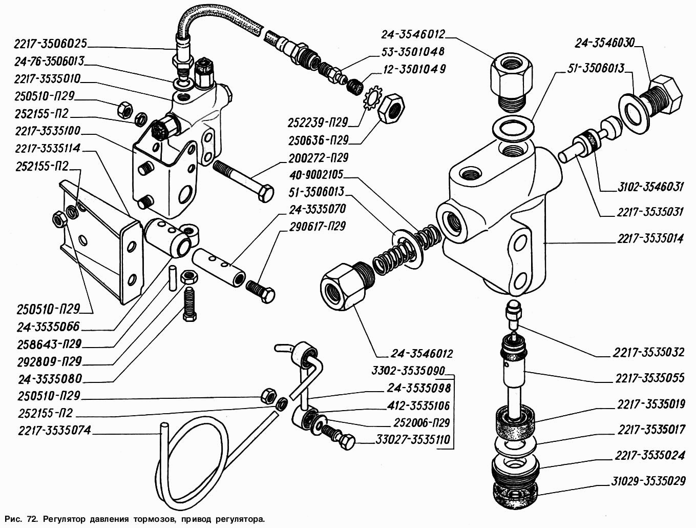
Регулятор давления тормозов, привод регулятора

Регулятор давления тормозов, привод регулятора
Метка Каталожный номер Наименование детали Наличие
24-3546012 24-3546012 Штуцер соединительный
Фото Артикул Наименование Модель Ед. Наличие Цена интернет магазина
штуцер соединительный тормозной трубки и цилиндра  Газель 00000016607 штуцер соединительный тормозной трубки и цилиндра Газель ГАЗЕЛЬ шт 23₽
В корзину
24-3546012 24-3546012 Штуцер соединительный
Фото Артикул Наименование Модель Ед. Наличие Цена интернет магазина
штуцер соединительный тормозной трубки и цилиндра  Газель 00000016607 штуцер соединительный тормозной трубки и цилиндра Газель ГАЗЕЛЬ шт 23₽
В корзину
250636-П29 250636-П29 Гайка М16х1,5-6Н ОСТ 37.001.124-93
Фото Артикул Наименование Модель Ед. Наличие Цена интернет магазина
гайка тормозного шланга Красная Этна Газ,УАЗ 00000060010 гайка тормозного шланга Красная Этна Газ,УАЗ УАЗ шт 6₽
Нет в наличии
53-3501048 53-3501048 Клапан прокачки колесного цилиндра
Фото Артикул Наименование Модель Ед. Наличие Цена интернет магазина
Клапан (штуцер прокачки тормозной жидкости)  00000020833 Клапан (штуцер прокачки тормозной жидкости) ГАЗ шт 25₽
В корзину