Торговая марка
основана в 1994 году

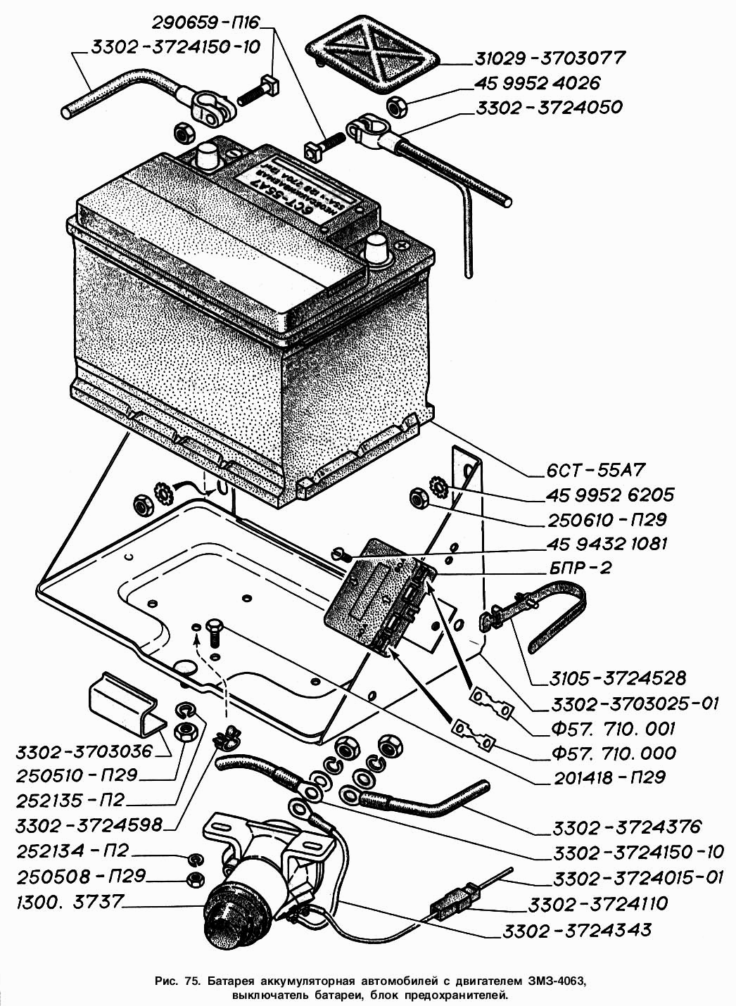
Батарея аккумуляторная автомобилей с двигателем ЗМЗ-4063, выключатель батареи, блок предохранителей

Батарея аккумуляторная автомобилей с двигателем ЗМЗ-4063, выключатель батареи, блок предохранителей
Метка Каталожный номер Наименование детали Наличие
1300.3737 1300.3737 Выключатель батареи
Фото Артикул Наименование Модель Ед. Наличие Цена интернет магазина
выключатель "массы" дистанционный 1300.3737 "СОАТЭ" г.Ст.Оскол 00000017885 выключатель "массы" дистанционный 1300.3737 "СОАТЭ" г.Ст.Оскол ГАЗ шт 2645₽
В корзину
3302-3703025-01 3302-3703025-01 Основание аккумуляторной батареи
Фото Артикул Наименование Модель Ед. Наличие Цена интернет магазина
Основание аккумуляторной батареи  Газель 00000016824 Основание аккумуляторной батареи Газель ГАЗЕЛЬ шт 525₽
Нет в наличии