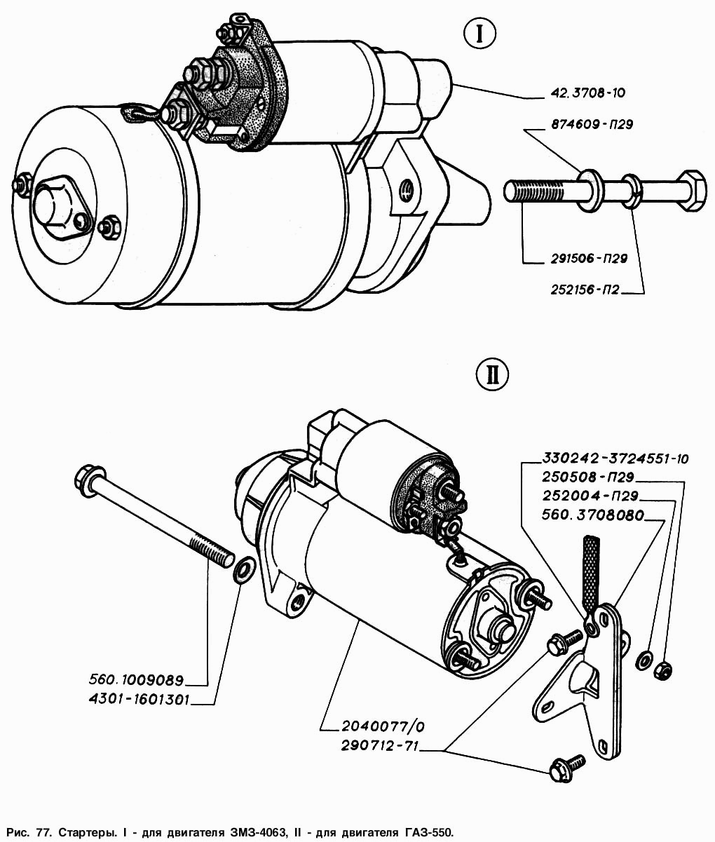
Стартеры: I - для двигателя ЗМЗ-4063, II -для двигателя ГАЗ-560
| Метка | Каталожный номер | Наименование детали | Наличие | |||||||||||||||||
|---|---|---|---|---|---|---|---|---|---|---|---|---|---|---|---|---|---|---|---|---|
| 291506-П29 | 291506-П29 | Болт М10-6gх110 | ||||||||||||||||||
|
||||||||||||||||||||
| 42.3708-10 | 42.3708-10 | Стартер (42.3708000-10) | ||||||||||||||||||
|
||||||||||||||||||||
