Торговая марка
основана в 1994 году

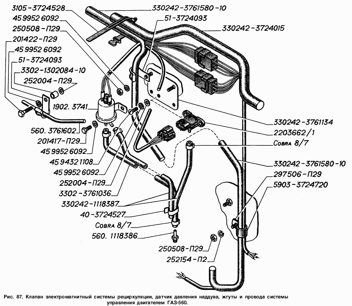
Клапан электромагнитный системы рециркуляции, датчик давления наддува, жгуты и провода системы управления двигателем ГАЗ-560

Клапан электромагнитный системы рециркуляции, датчик давления наддува, жгуты и провода системы управления двигателем ГАЗ-560