Торговая марка
основана в 1994 году

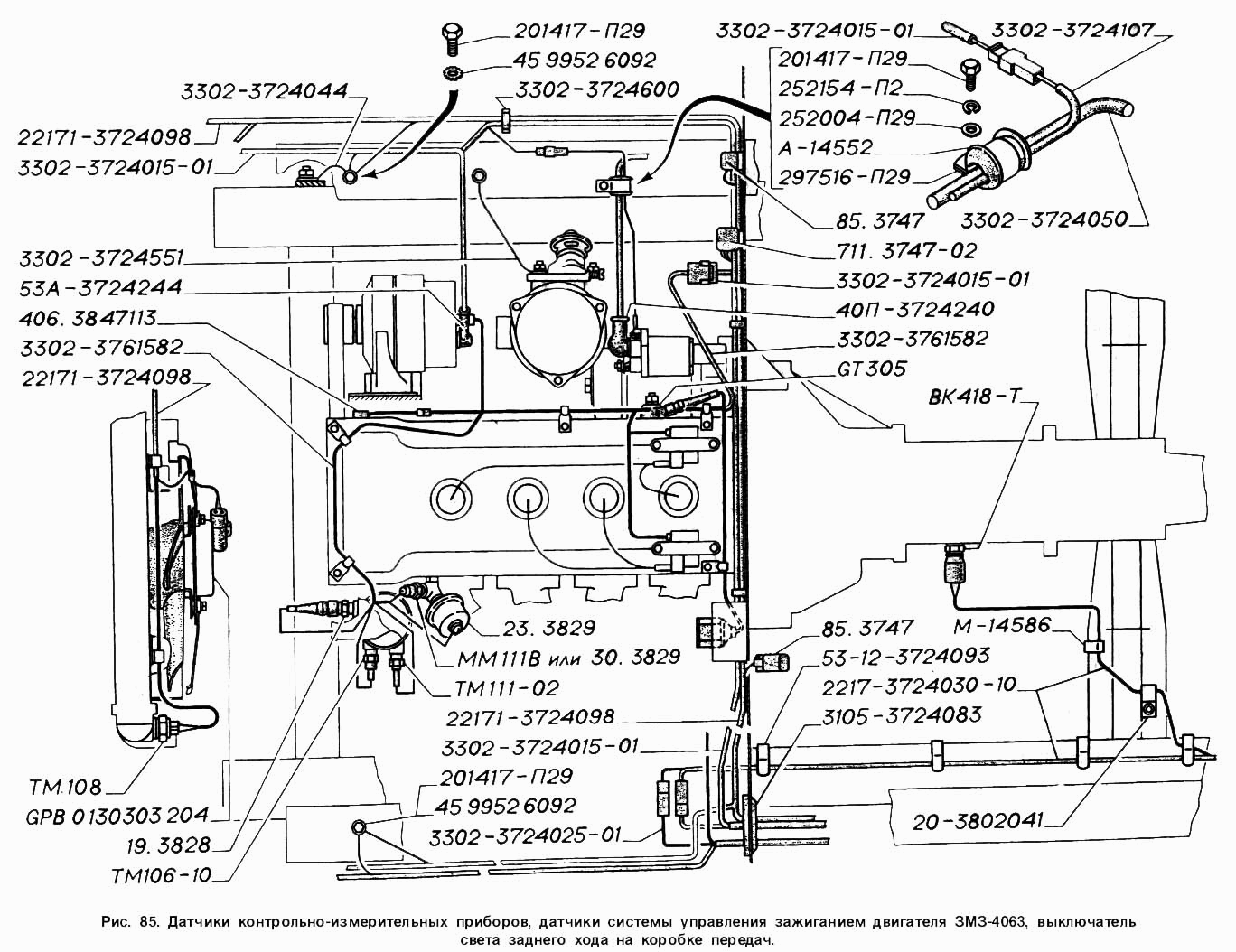
Датчики контрольно-измерительных приборов, датчики системы управления зажиганием двигателя ЗМЗ-4063, выключатель света заднего х

Датчики контрольно-измерительных приборов, датчики системы управления зажиганием двигателя ЗМЗ-4063, выключатель света заднего х
Метка Каталожный номер Наименование детали Наличие
19.3828 19.3828 Датчик указателя температуры охлаждающей жидкости
Фото Артикул Наименование Модель Ед. Наличие Цена интернет магазина
датчик указателя температуры охлаждающей жидкости "Автоэлектроника" г.Калуга Волга,Газель ЗМЗ-406,405 19.3828 00000013859 датчик указателя температуры охлаждающей жидкости "Автоэлектроника" г.Калуга Волга,Газель ЗМЗ-406,405 19.3828 Г-406 шт 403₽
В корзину
3302-3761582 3302-3761582 Жгут системы зажигания
Фото Артикул Наименование Модель Ед. Наличие Цена интернет магазина
проводка      Г-406 00000059471 проводка Г-406 ГАЗЕЛЬ 2760₽
Нет в наличии
3302-3761582 3302-3761582 Жгут системы зажигания
Фото Артикул Наименование Модель Ед. Наличие Цена интернет магазина
проводка      Г-406 00000059471 проводка Г-406 ГАЗЕЛЬ 2760₽
Нет в наличии
406.3847113 406.3847113 Датчик синхронизации и скорости вращения
Фото Артикул Наименование Модель Ед. Наличие Цена интернет магазина
датчик синхронизации и скорости вращения коленчатого вала "Ромб" г.Пенза Волга,Газель ЗМЗ-406 406.3847113 00000013823 датчик синхронизации и скорости вращения коленчатого вала "Ромб" г.Пенза Волга,Газель ЗМЗ-406 406.3847113 Г-406 шт 602₽
В корзину
711.3747-02 711.3747-02 Реле стартера (711.3747000-02)
Фото Артикул Наименование Модель Ед. Наличие Цена интернет магазина
реле стартера "Авар" г.Псков Газель,Волга,УАЗ 711.3747-02 00000018271 реле стартера "Авар" г.Псков Газель,Волга,УАЗ 711.3747-02 ГАЗЕЛЬ шт 253₽
В корзину
М-14586 М-14586 Скоба
Фото Артикул Наименование Модель Ед. Наличие Цена интернет магазина
скоба крепления проводов Н.Новгород 00000018983 скоба крепления проводов Н.Новгород ГАЗЕЛЬ шт 35₽
В корзину