Торговая марка
основана в 1994 году

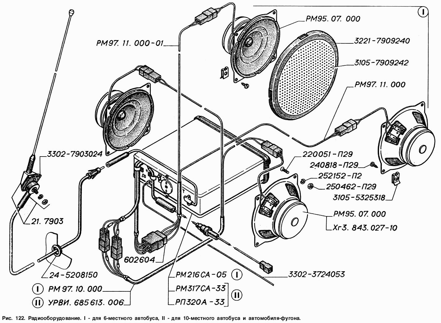
Радиооборудование: I - для 6-местного автобуса, II - для 10-местного автобуса и автомобиля-фургона

Радиооборудование: I - для 6-местного автобуса, II - для 10-местного автобуса и автомобиля-фургона