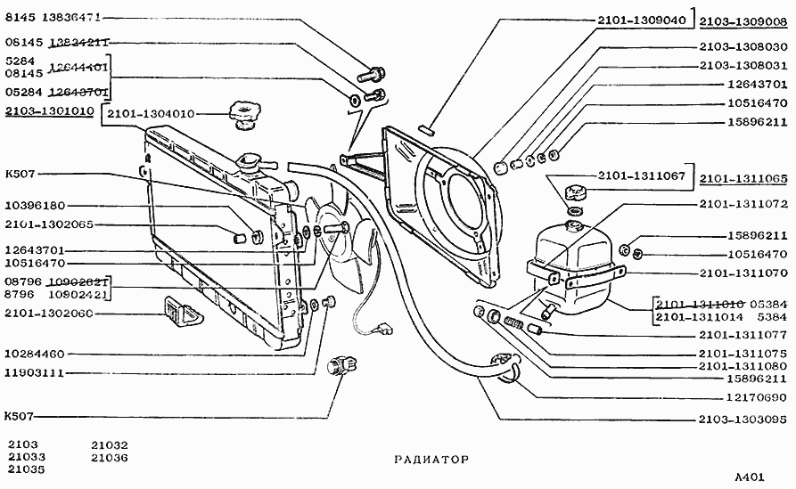
Радиатор
| Метка | Каталожный номер | Наименование детали | Наличие | |||||||||||||||||||||||||||||||||||||
|---|---|---|---|---|---|---|---|---|---|---|---|---|---|---|---|---|---|---|---|---|---|---|---|---|---|---|---|---|---|---|---|---|---|---|---|---|---|---|---|---|
| 2101-1302060 | 2101-1302060 | Опора радиатора | ||||||||||||||||||||||||||||||||||||||
|
||||||||||||||||||||||||||||||||||||||||
| 2101-1311014 | 2101-1311014 | Бачок расширительный | ||||||||||||||||||||||||||||||||||||||
|
||||||||||||||||||||||||||||||||||||||||
| 2101-1311065 | 2101-1311065 | Пробка | ||||||||||||||||||||||||||||||||||||||
|
||||||||||||||||||||||||||||||||||||||||
| 2103-1303095 | 2103-1303095 | Шланг | ||||||||||||||||||||||||||||||||||||||
|
||||||||||||||||||||||||||||||||||||||||
| 2103-1308030 | 2103-1308030 | Втулка | ||||||||||||||||||||||||||||||||||||||
|
||||||||||||||||||||||||||||||||||||||||
| 2103-1309008 | 2103-1309008 | Кожух | ||||||||||||||||||||||||||||||||||||||
|
||||||||||||||||||||||||||||||||||||||||


