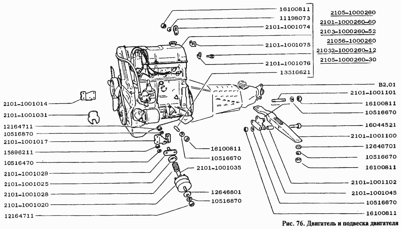
Двигатель и подвеска двигателя
| Метка | Каталожный номер | Наименование детали | Наличие | |||||||||||||||||||
|---|---|---|---|---|---|---|---|---|---|---|---|---|---|---|---|---|---|---|---|---|---|---|
| 2101-1001020 | 2101-1001020 | Подушка опоры | ||||||||||||||||||||
|
||||||||||||||||||||||
| 2101-1001045 | 2101-1001045 | Подушка | ||||||||||||||||||||
|
||||||||||||||||||||||

