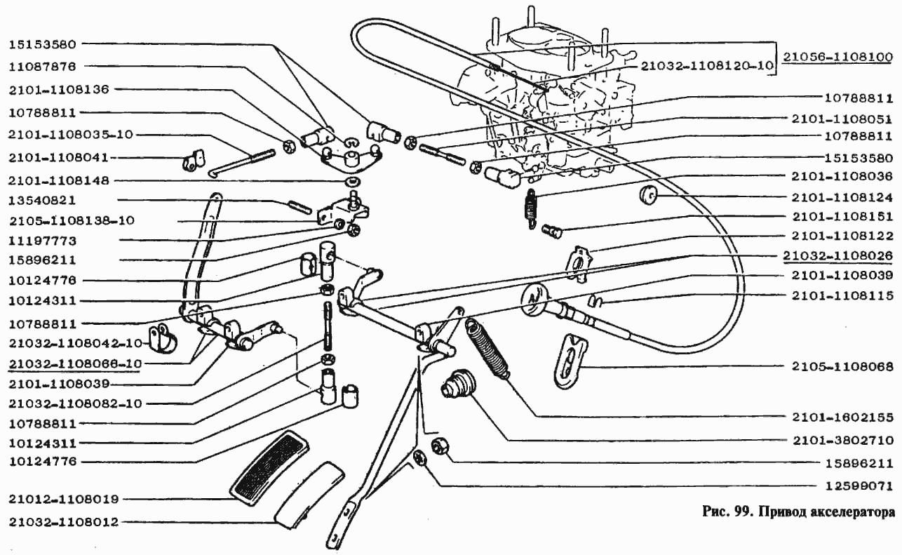
Привод акселератора
| Метка | Каталожный номер | Наименование детали | Наличие | |||||||||||||||||||
|---|---|---|---|---|---|---|---|---|---|---|---|---|---|---|---|---|---|---|---|---|---|---|
| 2101-1108036 | 2101-1108036 | Пружина возвратная | ||||||||||||||||||||
|
||||||||||||||||||||||
| 2101-1108039 | 2101-1108039 | Кронштейн | ||||||||||||||||||||
|
||||||||||||||||||||||
| 2101-1108039 | 2101-1108039 | Кронштейн | ||||||||||||||||||||
|
||||||||||||||||||||||
| 2101-1108041 | 2101-1108041 | Скоба | ||||||||||||||||||||
|
||||||||||||||||||||||
| 2101-1108122 | 2101-1108122 | Пластина прижимная | ||||||||||||||||||||
|
||||||||||||||||||||||
| 2101-1108124 | 2101-1108124 | Уплотнитель | ||||||||||||||||||||
|
||||||||||||||||||||||
| 2101-1602155 | 2101-1602155 | Пружина | ||||||||||||||||||||
|
||||||||||||||||||||||

