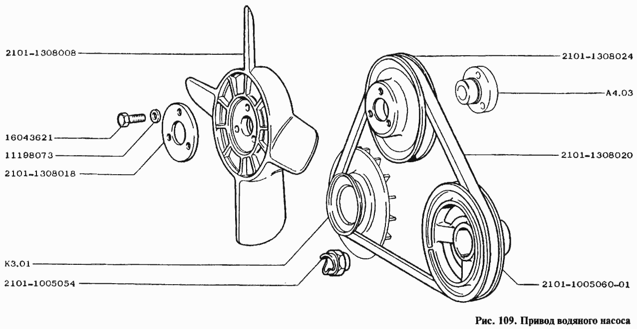
Привод водяного насоса
| Метка | Каталожный номер | Наименование детали | Наличие | |||||||||||||||||||
|---|---|---|---|---|---|---|---|---|---|---|---|---|---|---|---|---|---|---|---|---|---|---|
| 2101-1005060-01 | 2101-1005060-01 | Шкив коленчатого вала | ||||||||||||||||||||
|
||||||||||||||||||||||
| 2101-1308018 | 2101-1308018 | Накладка вентилятора | ||||||||||||||||||||
|
||||||||||||||||||||||
