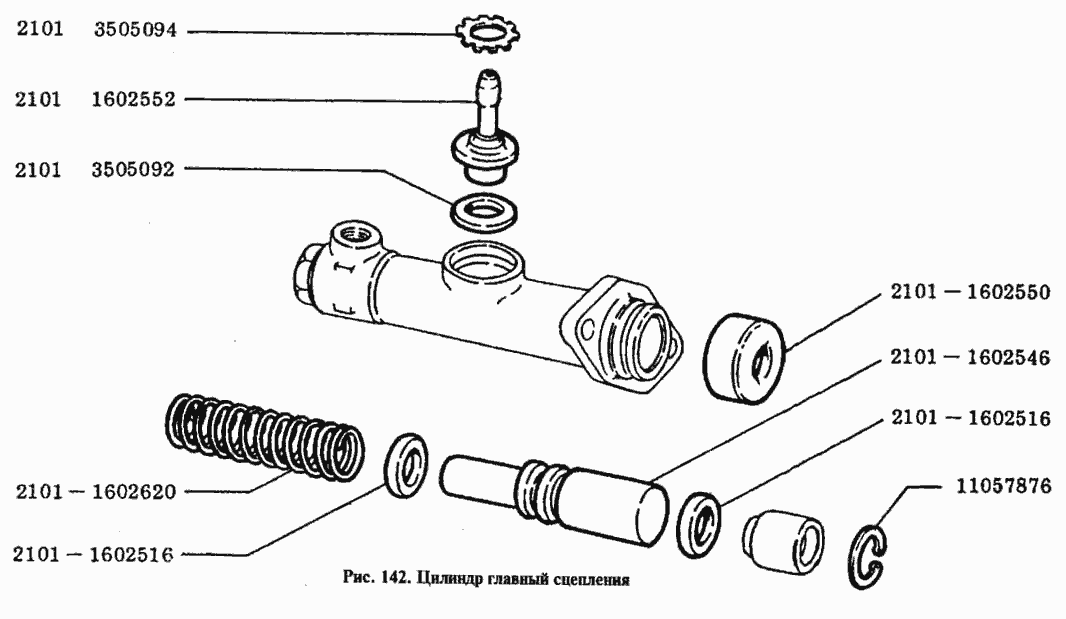
Цилиндр главный сцепления
| Метка | Каталожный номер | Наименование детали | Наличие | |||||||||||||||||||
|---|---|---|---|---|---|---|---|---|---|---|---|---|---|---|---|---|---|---|---|---|---|---|
| 2101-1602552 | 2101-1602552 | Штуцер | ||||||||||||||||||||
|
||||||||||||||||||||||
| 2101-3505094 | 2101-3505094 | Шайба стопорная | ||||||||||||||||||||
|
||||||||||||||||||||||
